飞机偏航阻尼器

6 月 8 日当晚,地勤也更换了偏航阻尼器的一部分零件
图片尺寸640x516
从蜻蜓翅痣谈飞机机翼颤振及其抑制—兼谈颤振与驰振,涡振,抖振的区别
图片尺寸1500x1500
常州偏航阻尼器
图片尺寸872x1550
波音737-700/800飞机主偏航阻尼系统介绍. ata22偏航阻尼系统 李剑峰
图片尺寸1080x810
空客a320飞机侧杆里的秘密
图片尺寸1080x1289
大型搞机教程(2)
图片尺寸720x370
航空电子设备yd偏航阻尼器
图片尺寸920x690
偏航阻尼的作用是保持飞机由于荷兰滚和气流颠簸引起飞机在其垂直轴线
图片尺寸300x300
阻尼器
图片尺寸1269x952
飞机偏航阻尼器的作用是什么?是协调转弯还是增大飞机方向安定性?
图片尺寸499x333
风电机阻尼条无噪音大偏航制动器片 摩擦衬垫刹车块 1.5mw兆瓦
图片尺寸800x800
5°,而偏航阻尼器只是角度微调设备,调整角度只有3°,无法实现这样大
图片尺寸1202x410
阻尼器功能特性详细介绍
图片尺寸892x435
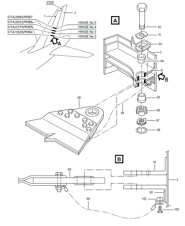
现在以某型号飞机垂直安定面区域为例,简要介绍区域分析步骤产生
图片尺寸513x327
偏航指示器 - 百纯百科
图片尺寸665x523
凌客科技避障无人航拍8k高清专业遥控飞机玩具四轴器
图片尺寸800x800
某型飞机飞行模拟器的设计与实现
图片尺寸550x450
比如伺服器外面的偏航阻尼器,或者里面的滑杆,再或者是飞机外面的构造
图片尺寸1320x896
a320飞机横向抖动浅析
图片尺寸632x771
科力沃kw-h815遥控飞机四轴飞行器模型儿童成人玩具
图片尺寸1920x1476