飞科fs371主板电路图

飞科fs
图片尺寸2990x1419
实绘飞科fs325剃须刀电路图
图片尺寸750x445
飞科fs320型电动剃须刀电路
图片尺寸740x309
飞科牌电动剃须刀不能工作
图片尺寸739x351
飞科fs812型剃须刀不充电故障检修
图片尺寸1223x866
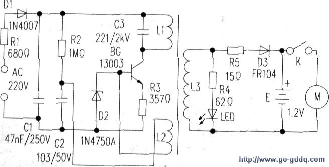
电动剃须刀电路图
图片尺寸800x471
pe371c0sch2电源板图纸
图片尺寸1680x1050
飞科剃须刀fs370fs371fs372fs373 302电路板充电电池主板 数字显示款
图片尺寸350x350
飞科fs373fs372fs371fs370智能大屏显示剃须刀电线路板池电机配件
图片尺寸310x310
飞科fs373fs372fs371fs370智能大屏显示剃须刀电线线路板电机配件剃须
图片尺寸800x800
飞科fs901电动剃须刀原理分析
图片尺寸656x334
飞科fs302fs372fs373fs371fs370剃须刀配件机芯电路板电池电机剃须刀
图片尺寸800x800
飞科剃须刀fs870fs871fs872fs873电路板充电电池主板配件线路板pcb
图片尺寸800x800
飞科剃须刀fs370fs371fs372fs373 302电路板充电电池主板原装配件
图片尺寸1080x1080
飞科剃须刀fs370fs371fs372fs373 302电路板充电电池主板 电池接口28
图片尺寸350x350
飞科剃须刀fs370fs371fs372fs373 302电路板充电电池主板 电机
图片尺寸350x350
英飞凌sp37原理图分享
图片尺寸1152x720
飞科剃须刀fs370fs371fs372fs373 302电路板充电电池主板 28毫米电池
图片尺寸350x350
康佳led42f3700nf35018362板液晶彩电线路原理图
图片尺寸1680x1050
飞科电动剃须刀fs-829电路图
图片尺寸957x1252