马牙槎图片 尺寸

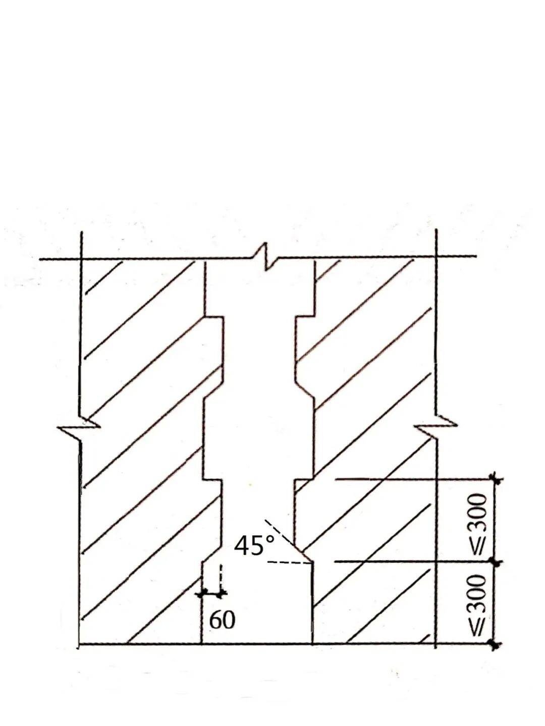
这不仅包括确保马牙槎的尺寸控制在合理范围内,如沿高度方向不宜超过
图片尺寸862x1225
🧱一招速懂砌体工程全貌🏗️
图片尺寸1080x1410
图一的计算式可以折算出马牙槎的长度多少吗?宽度60mm,那长度多少呢?
图片尺寸546x640
请问北京地区的马牙槎,需要扣减女儿墙压顶或者梁的高度吗?
图片尺寸3000x2292
这不仅包括确保马牙槎的尺寸控制在合理范围内,如沿高度方向不宜超过
图片尺寸494x571
砖墙马牙槎施工要点,你家自建房做对了吗?
图片尺寸1133x1482
马牙槎用不用切斜口?
图片尺寸1080x1439
自保温砌块 砌筑时候
图片尺寸1080x2400
农村建房必知的马牙槎施工要点
图片尺寸781x1034
构造柱与墙体的连接处应砌成马牙槎
图片尺寸920x1302
砌体墙马牙槎扣除问题
图片尺寸973x645
请问北京地区的马牙槎,需要扣减女儿墙压顶或者梁的高度吗?
图片尺寸3000x2668
构造柱马牙槎设置与施工要点解析
图片尺寸385x535
马牙槎留设的方法 急!在线等!
图片尺寸450x347
2️⃣ 马牙槎的凸凹尺寸应
图片尺寸1920x2530
构造柱加固原理图解马牙槎下部切角处理马牙槎下部切角
图片尺寸1493x1056
验证下带马牙槎构造柱
图片尺寸503x548
构造柱马牙槎高度方向尺寸不大于300mm中距500mm这句话是什么意思
图片尺寸490x575
马牙槎直槎斜槎详细区别
图片尺寸893x460
挡水混凝土导墙,马牙槎,过梁,构造柱如何做?二次结构施工必懂
图片尺寸569x568