骨架油封装配图

摘要附图摘要本实用新型涉及螺杆压缩机装配领域,具体为一种骨架油封
图片尺寸1076x1073
机械制图中油封怎么画?
图片尺寸647x512
骨架油封结构及选型
图片尺寸713x282
拖拉机变速箱骨架油封装配工艺改进
图片尺寸805x438
骨架油封安装方法以及示意图-惠诺密封圈
图片尺寸1134x1536
台湾nak tc双唇骨架油封,tb铁壳外包骨架油封_供应产品_昆山胶成密封
图片尺寸562x767
一种骨架油封结构的制作方法
图片尺寸302x444
骨架油封结构及选型
图片尺寸806x362
骨架油封结构材料和安装方法
图片尺寸772x483
dc内包骨架油封图
图片尺寸1158x806
风电齿轮箱 mark>密封 /mark> mark>件 /mark>之骨架油封——安维士
图片尺寸744x455
zm732静液压马达在实际的工作过程中经常会出现主轴骨架油封容易失效
图片尺寸287x233
骨架油封结构及选型
图片尺寸683x371
本技术涉及螺杆压缩机装配领域,具体为一种骨架油封安装
图片尺寸1000x997
骨架油封的密封原理及应用
图片尺寸676x412
定位轴内开有螺纹孔,所述定位轴上由内至外依次同轴装配有骨架油封和
图片尺寸1283x1488
骨架油封的选择与装配
图片尺寸558x690
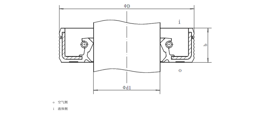
骨架油封的种类
图片尺寸450x221
骨架油封正确安装图与组合密封垫圈
图片尺寸842x1145
油封(骨架油封,磁力油封,迷宫油封,轴承隔离器)介绍
图片尺寸640x807