高压模块电路图

隔离型dcdc高压电源模块
图片尺寸2507x1399
变压器电源模块原理图
图片尺寸800x566
cn201854232u_混合集成电路大功率高压隔离无刷电机驱动模块有效
图片尺寸1627x1329
电源电路模块
图片尺寸932x481
电源模块电路图50种常用经典电路图
图片尺寸707x501
高压发生器电路
图片尺寸928x614
想问一下陈老师这个电路图中高压包的参数 如果做到300w 10kv 初级与
图片尺寸600x400
功率硬件定制 | 高压dc-dc变流模块
图片尺寸536x454
超高压模块电路原理图
图片尺寸728x245
电源降压控制电路模块设计
图片尺寸1015x482
宽电压输入高压降压电源模块pi05vm4
图片尺寸681x307
电视机高压板电路图
图片尺寸1246x823
请推荐一个高压电源产生模块
图片尺寸1008x543
一种高压模块电源的制作方法
图片尺寸1000x634
高压电源原理图_高压电源电路图
图片尺寸1877x897
三节锂电池充电芯片ic设计模块的几种电路
图片尺寸999x945
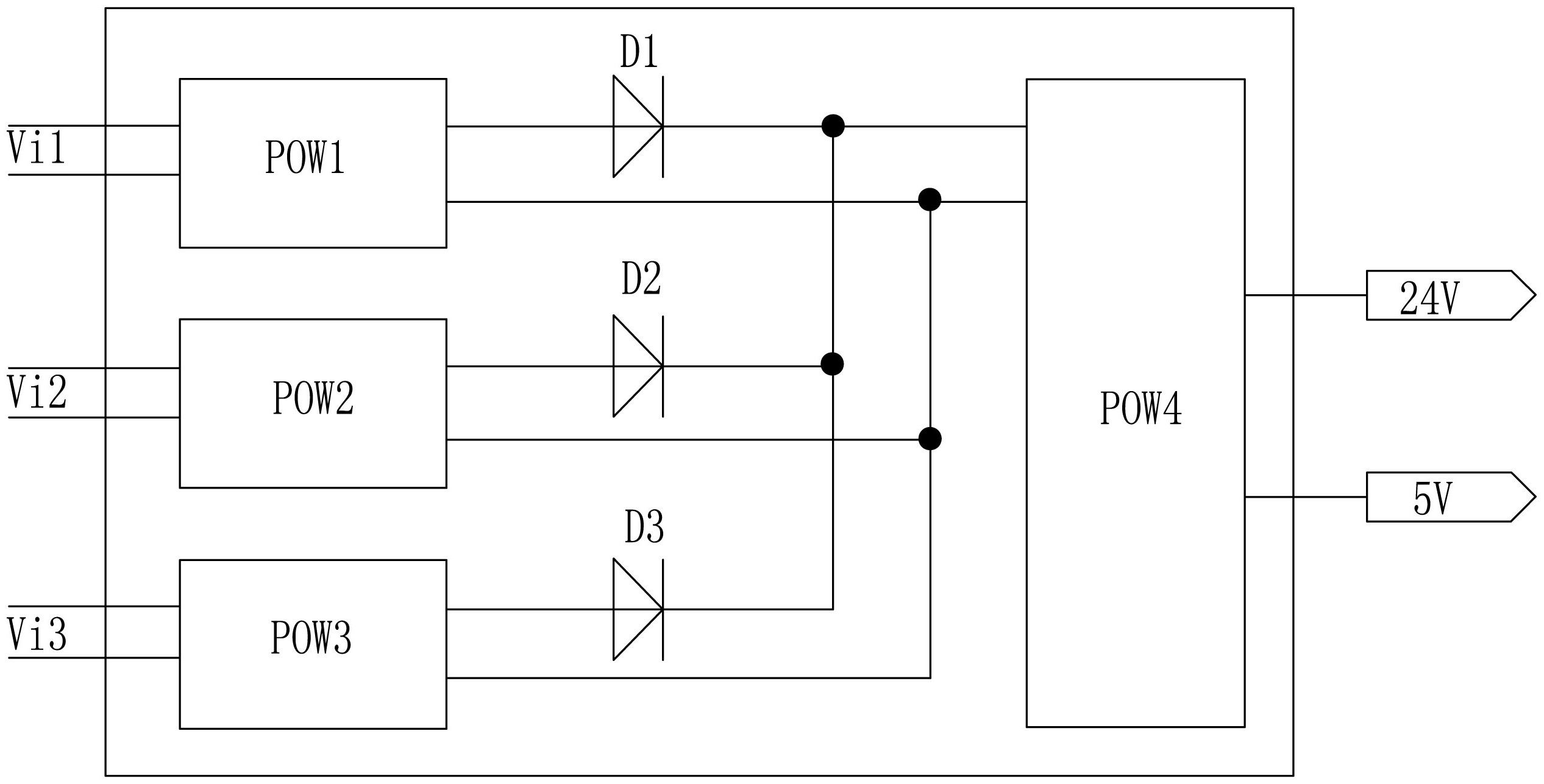
用于高压链式svg功率单元的电源模块,包括后级低压直流转直流电路pow4
图片尺寸2533x1287
一种高压模块电源 本技术涉及一种高压模块电源,尤其是有由整流电路
图片尺寸1000x543
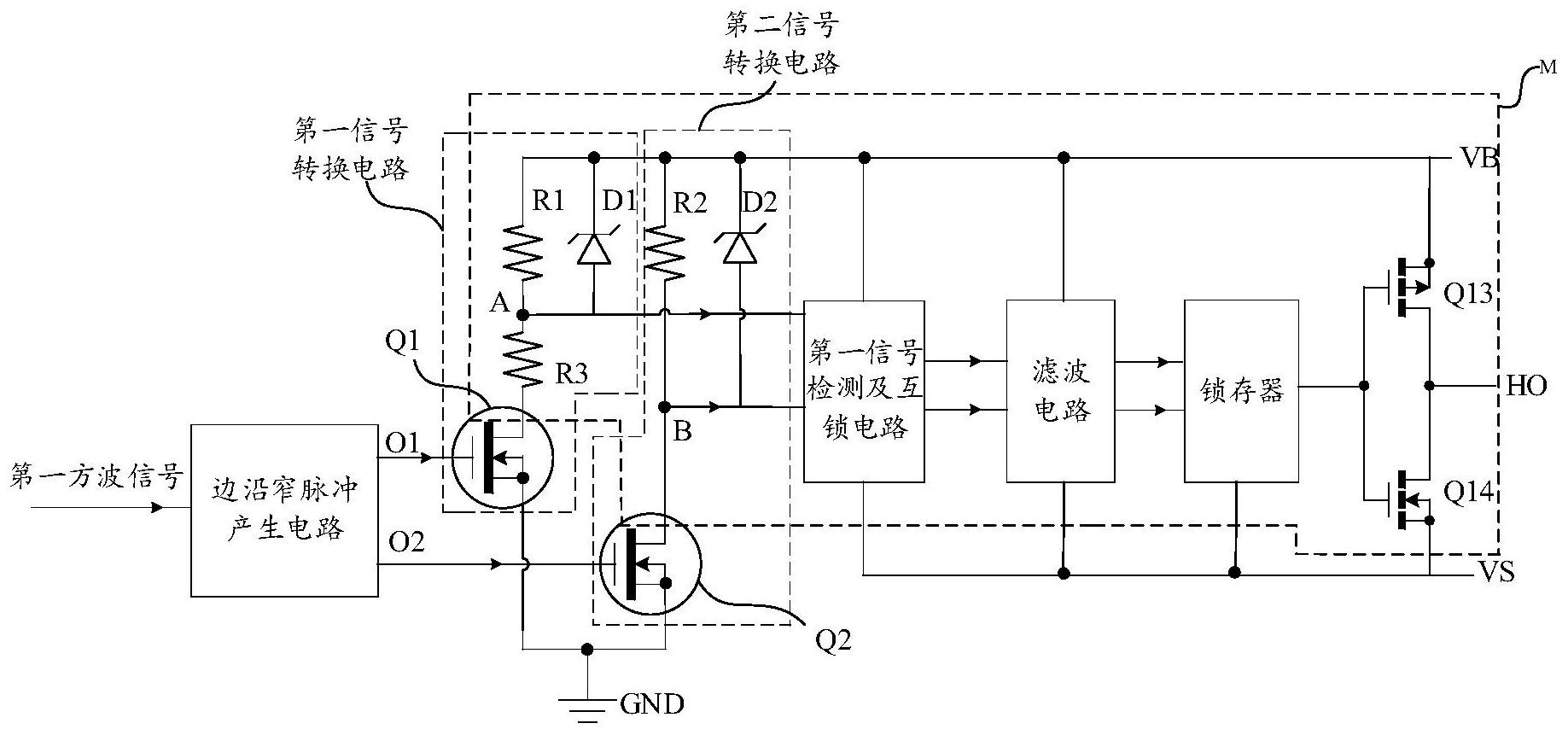
cn112165319a_一种上桥臂驱动电路,高压集成电路以及功率模块在审
图片尺寸1837x861
高压功率模块随着时间的推移而增加的导通电阻
图片尺寸537x283