高频头结构图

一种新型结合s频段与ku频段高频头结构
图片尺寸964x1000
一种ku波段双极化双输出高频头制造技术
图片尺寸903x1000
高集成ku波段卫星电视高频头结构
图片尺寸1927x1080
一种ku-band卫星高频头结构-爱企查
图片尺寸800x589
空调高频头内部结构解析
图片尺寸720x960
一种用于接收ku波段的高频头的制作方法
图片尺寸1000x729
一种新型小型化ku波段多用户dcss高频头
图片尺寸1375x1102
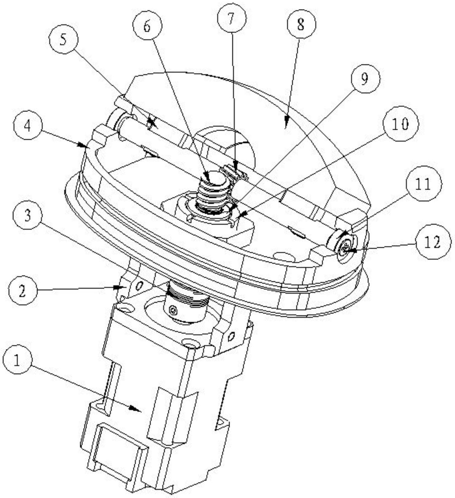
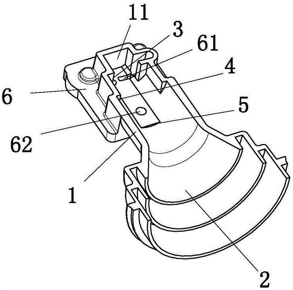
一种具有加固机构的高频头的制作方法
图片尺寸1000x755
一种新型ku波段高频头双极化导波管
图片尺寸1000x992
咪头的工作原理及结构咪头,是将声音信号转换为电信号的能量转换器件
图片尺寸429x348
1 卫星电视下变频器
图片尺寸254x104
高斯贝尔c波段高频头拆解
图片尺寸1379x1001
高斯贝尔c波段高频头拆解
图片尺寸1380x1035
一种用于大功率的光纤激光晃动焊接头
图片尺寸1992x2605
商标logo
图片尺寸1507x1651
请教~哪种fm高频头电路更好/高频头原理图分享
图片尺寸1362x861
超声波探头结构原理
图片尺寸837x422
双极化高频头
图片尺寸577x466
卫星电视技术讲座 第四讲 卫星电视下变频器高频头的工作原理
图片尺寸988x294
高斯贝尔c波段高频头拆解
图片尺寸1380x1035