黄磷电炉

电热丝电炉子可调温电炉23000w电热炉电炉灶炒菜煮饭火力大电炉定制坤
图片尺寸750x885
粉末冶金电炉用筑炉材料都有哪些
图片尺寸747x564
ddf1kw15kw21kw封闭电炉
图片尺寸3210x3210
电炉公司
图片尺寸268x357
电炉子1000w实验电炉2000w实验电炉盘 可调温高温电热炉
图片尺寸1440x1080
(electric arc furnace)利用电极电弧产生的高温熔炼矿石和金属的电炉
图片尺寸508x379
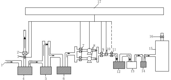
黄磷电炉尾气回收系统-爱企查
图片尺寸600x280
小型igbt中频熔炼电炉
图片尺寸860x645
黄磷尾气蒸汽锅炉
图片尺寸768x1024
黄磷尾气燃烧器
图片尺寸800x800
实验电炉
图片尺寸800x606
电弧炉的介绍
图片尺寸831x608
电炉子1000w实验电炉2000w实验电炉盘 可调温高温电热炉
图片尺寸800x600
西安天宇电炉有限公司
图片尺寸2592x1944
lf钢包精炼炉
图片尺寸572x559
长流程消化废钢仍是当前阶段的优选
图片尺寸690x463
绵阳电弧炉
图片尺寸2048x1536
矿热炉用于金属氧化矿石的还原冶炼,所以又称为矿热还原电炉.
图片尺寸600x800![出售雷克萨斯is300[导航高配]轿车](https://i.ecywang.com/upload/1/img0.baidu.com/it/u=4199640156,918869066&fm=253&fmt=auto&app=138&f=JPEG?w=500&h=667)
出售雷克萨斯is300[导航高配]轿车
图片尺寸750x1000
磷化工公司15000kva黄磷电炉炉气净化项目颠覆传统黄磷行业百年生产
图片尺寸547x477