黄颡鱼机电路图

那位兄弟有诱捕黄颡鱼机电路图
图片尺寸350x283
isl6741ibzintersilcorpflexibledoubleendedvoltageandc
图片尺寸1188x918
试试手艺活儿,比如组装一套调幅收音机套件,或者弄一套调幅调频收音机
图片尺寸800x669
现场设备不能启动?
图片尺寸2667x2000
金正n800a型dvd机开关电源teal522p电路
图片尺寸1706x1273
飞科电动剃须刀电路解析 🪒
图片尺寸2134x998
图片尺寸1159x860
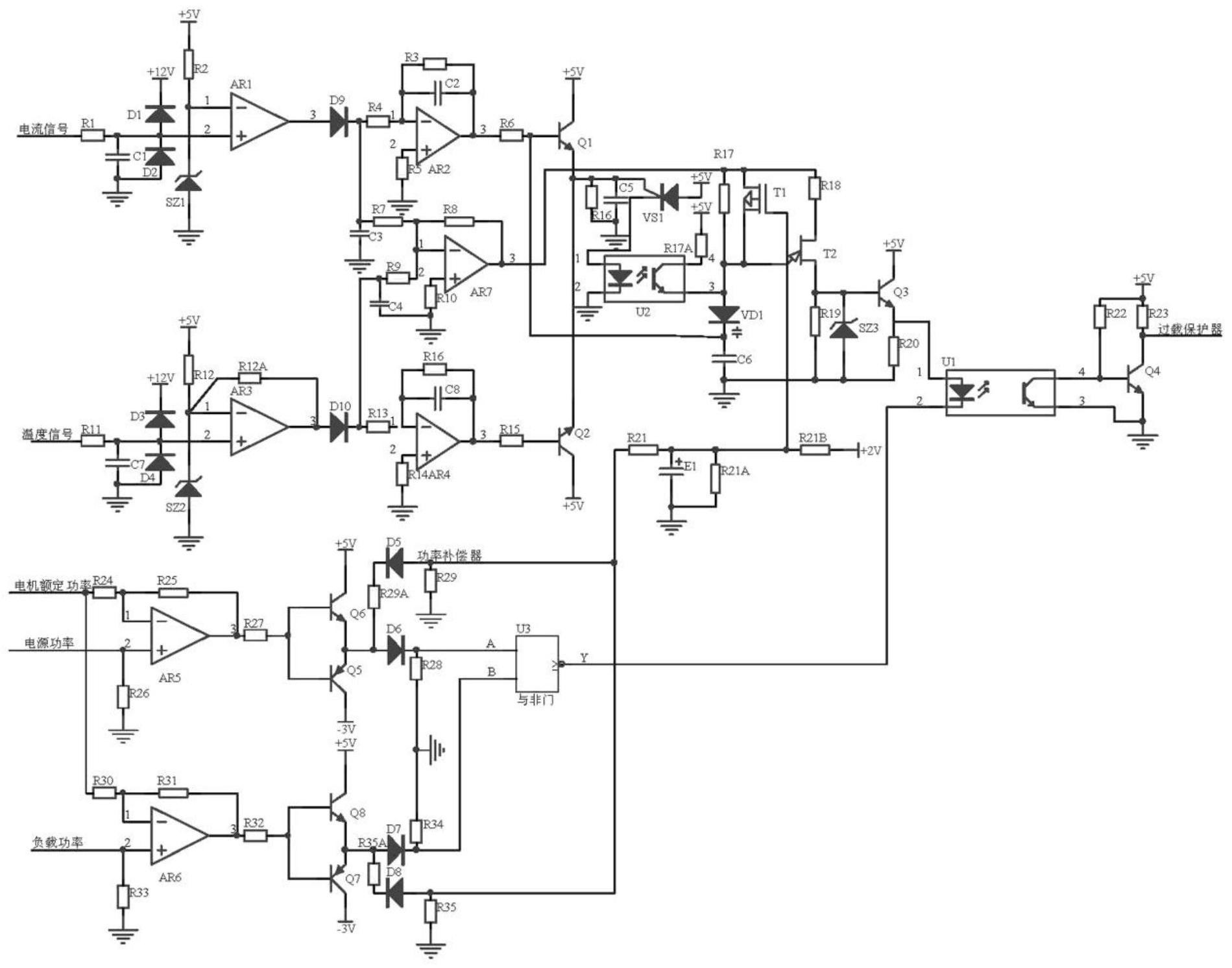
电机过载保护电路
图片尺寸1899x1492
ups线路图
图片尺寸1550x1110
一种直流电子捕鱼器
图片尺寸2000x1408
ml组和ml l组黄颡鱼xx全精巢型伪雄鱼120日龄性腺表观与组织学
图片尺寸3150x1574
想买个飞利浦hx6730电动牙刷,大家觉得咋样?
图片尺寸2638x1743
多种病害问题及处理方案
图片尺寸910x1359
攻毒前后tlr18 mrna在黄颡鱼头肾(a),脾脏
图片尺寸3150x2268
电焊机的原理
图片尺寸1184x840
原理图终于完成,并且检查通过
图片尺寸1786x1192
.该充电器用于电动螺丝刀,手电钻用14
图片尺寸2457x1770
🐟白露时节黄颡鱼健康守护指南🌧️
图片尺寸1920x880
黄颡鱼大肚子病频发,原因及防控措施详解
图片尺寸696x506
面包机的电路分析与维修
图片尺寸3648x1792