齿轮尺寸图

机械设计:标准直齿圆柱齿轮参数,名称,计算公式
图片尺寸790x498
5模 1.5模正齿轮 18齿【图片 价格 品牌 报价】-京东
图片尺寸758x787
45#钢直齿轮 3模数32齿 圆柱齿轮 3模正齿轮 支持定制
图片尺寸1347x1920
齿轮基本尺寸
图片尺寸617x797
齿轮基本用语和尺寸计算#ug #ug学习 #三 - 抖音
图片尺寸1080x1920
12大斜齿轮3pdf
图片尺寸800x566
渐开线标准直齿圆柱齿轮ppt
图片尺寸1080x810
圆柱直齿轮
图片尺寸1000x3068
机械设计齿轮怎么画?
图片尺寸3309x2339
a4中间齿轮pdf
图片尺寸800x1132
2直齿圆柱齿轮的基本参数,各部分的名称和尺寸关系 当圆柱齿轮的轮齿
图片尺寸690x830
齿轮表示法
图片尺寸1682x1265
齿轮表示法
图片尺寸1390x1343
定制正齿轮机器齿轮钢小齿轮
图片尺寸750x974
a4 齿轮(二).pdf
图片尺寸800x566
solidworks直齿齿轮 - 抖音
图片尺寸1440x1990
齿轮各部分尺寸计算
图片尺寸920x690
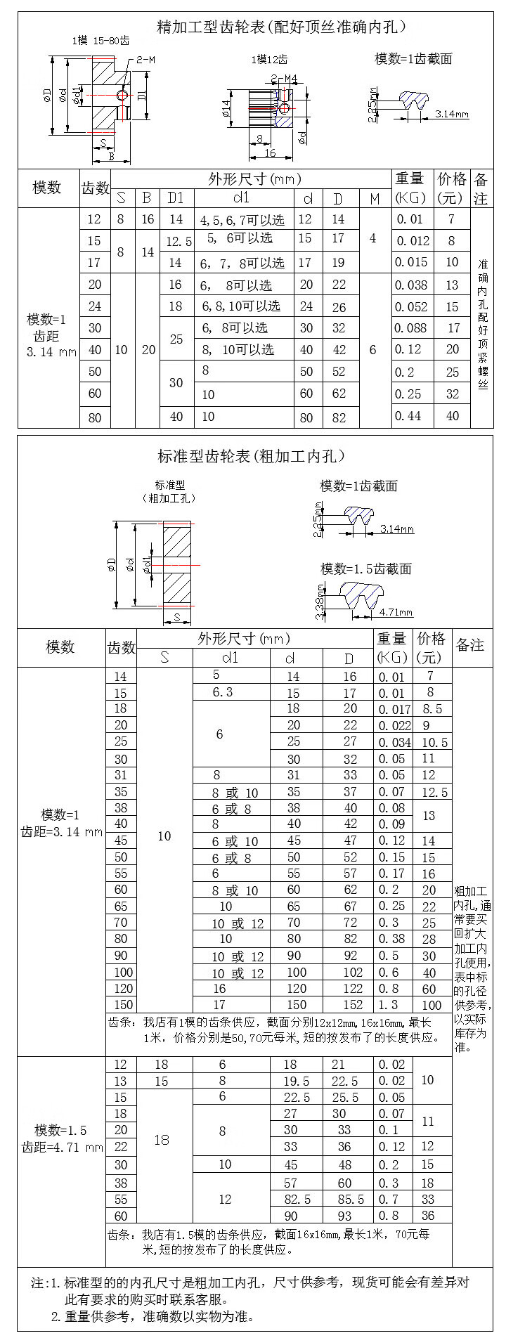
定做金属齿轮 电机马达齿轮配件 1模12/15/17/20/24/30/40/50/60/80齿
图片尺寸720x1904
关于齿轮工程图问题
图片尺寸1138x807
齿轮的基本参数介绍
图片尺寸640x397