齿轮画法机械制图

1️⃣ 圆柱直齿轮:标准的齿轮设计,广泛应用于各种机械传动
图片尺寸1650x1072
l872传动大齿轮零件的机械加工工艺规程及夹具设计
图片尺寸1041x772
机械制图齿轮绘制全解析✨
图片尺寸1080x1432
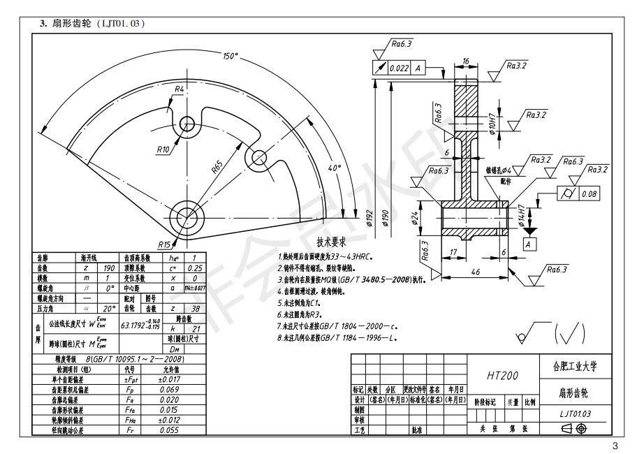
《新标准机械图集》ltj01
图片尺寸1312x984
圆柱齿轮的画法
图片尺寸1280x720
⚙️机械制图中齿轮的画法来啦❗️❗️
图片尺寸1242x1660
c24664-齿轮零件机械加工工艺工程设计
图片尺寸1176x833
直齿圆柱齿轮绘制技巧一分钟掌握
图片尺寸720x960
机械设计齿轮怎么画?
图片尺寸3309x2339![2-2003 机械制图 齿轮表示法]评估设计变更同向](https://i.ecywang.com/upload/1/img1.baidu.com/it/u=2046935553,759695743&fm=253&fmt=auto&app=138&f=JPEG?w=500&h=505)
2-2003 机械制图 齿轮表示法]评估设计变更同向
图片尺寸1096x1106
机械制图国标解读
图片尺寸941x667
机械制图 齿轮ppt
图片尺寸1080x810
大家在cad中绘制的都是简化过的齿轮一般情况下在机械制图中,齿轮是
图片尺寸1250x682
圆柱齿轮
图片尺寸513x326
最新标准机械图图集整合了机械制图中常见的各类零件的图纸,看完之后
图片尺寸922x650
最新标准机械图图集整合了机械制图中常见的各类零件的图纸,看完之后
图片尺寸922x650
机械制图(两个直齿圆柱齿轮啮合的画法,ppt演示)
图片尺寸1280x960
锥齿轮几何参数计算全解析 锥齿轮在机械传动中扮演着重要角色,其几何
图片尺寸1024x903
圆柱齿轮cad图纸
图片尺寸400x300
图解(图例):齿轮画法
图片尺寸1080x810