09捷达空调电路图

关于汽车空调电路相关问题
图片尺寸894x1170
一汽大众捷达常用电路图
图片尺寸1651x1161
常见车型空调线路图 捷达前卫空调线路图(1/2)
图片尺寸827x1101
大众捷达轿车空调不制冷电子扇不转动
图片尺寸1148x1149
大众捷达轿车开空调无冷风
图片尺寸2743x3849
大众捷达开启空调系统后发动机熄火
图片尺寸1926x2553
汽车空调系统电路ppt
图片尺寸1080x810
工程科技 机械/仪表 捷达轿车空调控制单元(i) 作,曾主编《用汽车电路
图片尺寸1418x1995
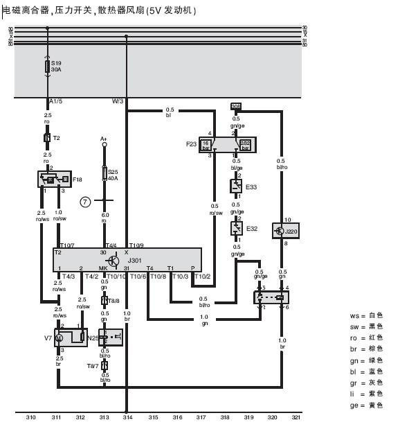
捷达车空调电路图
图片尺寸600x349
捷达汽车空调不工作压缩机不工作故障维修案例
图片尺寸1143x889
图2是捷达前卫未改前的空调电路图,改装的目的是在继电器盒n4柱引出线
图片尺寸912x918
大众捷达王汽车电路图.pdf
图片尺寸800x1219
捷达电气元件位置与电路图空调1819doc29页
图片尺寸792x1120
76 捷达轿车空调控制单元(续完)
图片尺寸1439x1997
捷达王gtx空调机不工作
图片尺寸572x730
全车电路图 捷达使用说明书 汽车维修电路图 桑塔纳3000电路图 空调
图片尺寸1811x2742
捷达前卫空调不工作.pdf
图片尺寸800x1131
全车电路图 捷达使用说明书 汽车维修电路图 桑塔纳3000电路图 空调
图片尺寸1884x2451
解读2010款捷达空调电路技术
图片尺寸750x970
大众捷达轿车空调偶尔工作
图片尺寸578x632