09g变速箱线路图

大众09g自动变速器2挡油路图
图片尺寸893x1234
自动变速箱电路图软件里的对不上
图片尺寸605x601
大众09g自动变速器r挡油路图
图片尺寸710x874
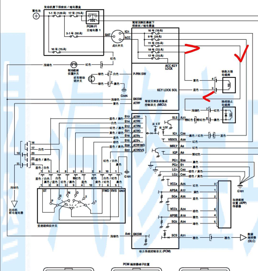
自动变速器电路图
图片尺寸1000x664
上汽大众09g型自动变速器的知识详解
图片尺寸1573x1362
09g自动变速箱控制电路图
图片尺寸603x608
2010年北京现代悦动(hdc)g 1.8 dohc自动变速器控制系统电路图.pdf
图片尺寸857x1109
速腾09g自动一体式电控变速器换挡冲击 档位指示灯红屏,不显示挡位
图片尺寸1063x775
2018年猎豹迈途变速箱电路图
图片尺寸598x599
大众速腾轿车09g型变速器入档冲击
图片尺寸1199x769
自动变速器电路图
图片尺寸1276x868
上海大众斯柯达明锐09g六档自动变速器电路图
图片尺寸1000x729
别克君越变速器维修电路图(自动变速器 )
图片尺寸2723x1917
变速箱线路图
图片尺寸607x511
变速箱系统电路图
图片尺寸608x606
明锐变速箱电路图
图片尺寸1138x832
本田奥德赛变速箱电路图资料有的师傅说话另外就是指导一下我得情况是
图片尺寸1079x1136
上海大众斯柯达明锐六档自动变速箱标识字母09g电路图
图片尺寸900x656
变速箱档位开关电路图,电源及分布
图片尺寸602x420
自动档变速箱原理(图籍)
图片尺寸785x592