11脚继电器脚位图

继电器11脚14脚中继套装带灯 rxm2lb2bd 8脚5a dc24vac220v 【大功率
图片尺寸750x895
electromagnetic double contact 12 volt refrigerator
图片尺寸699x400
欧姆龙omron 小型功率中间继电器 mks3p 圆11脚 替换mk3p-i 线圈电压
图片尺寸969x420
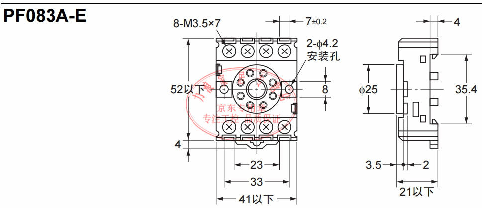
小型中间继电器底座hh53p52p54p my3nj插座大8脚11脚pyf14a时间 pyf11
图片尺寸750x1183
中间继电器是什么 中间继电器报价
图片尺寸550x367
继电器各引脚图片
图片尺寸487x300
宏发汽车继电器hfka-012-2zspt两组转换10脚 双继电器 25a16vdc
图片尺寸790x1117
继电器插座, 适用于各种系列
图片尺寸444x463
继电器脚图
图片尺寸238x216
jl-8a/33集成电路电流继电器
图片尺寸485x333
三种类型继电器介绍#电工 #电工知识 #零基础学电工 - 抖音
图片尺寸595x1055
jsz7系列sz7h5d4ajsz7h8bed时间继电器
图片尺寸1101x454
正品正泰继电器jzx22f3zac220v带灯11脚hh53pmy3nj继电器
图片尺寸750x757
jzs145中间继电器
图片尺寸568x484
原装宏发继电器hf115f-012-1hs3 16a 6脚一组常开功率继电器
图片尺寸678x542
德力西电气德力西pyf11a my3nj cdz9-53p中间小型继电器底座插座子11
图片尺寸800x800
宏发继电器hf2160-1a-12de-24de现货4脚一组常开30a 250vac t90
图片尺寸790x1194
适用于 汽车40a继电器12v24v改装大灯喇叭导航大灯4脚80a5脚继电器jd
图片尺寸750x1127
nt90hce12cb12v30a6脚继电器一开一闭jqx15ft90直拍继电器
图片尺寸887x552
正泰jzx-22f(d)/3z中间继电器底座czy11a 11脚hh53p my3nj底座
图片尺寸800x800