11g101-1图集74页

11g101-1 第63页
图片尺寸1372x965
11g1011pdf
图片尺寸800x566
图集11g101-1第74页,75页,剪力墙梁箍筋开口都是向下,感觉是图集又错
图片尺寸997x604
我给图集11g101-1挑挑错
图片尺寸1363x983
请问建筑结构图集11g101图集中,基础地梁钢筋搭接,上部钢筋搭接,下部
图片尺寸1010x614
11g101-1图集 67页有错!
图片尺寸977x787
11g101图集中楼层柱纵向钢筋变节插筋要锚入下部梁柱多少
图片尺寸829x242
11g101-1:混凝土结构施工图平面整体表示方法制图规则和构造详图(现浇
图片尺寸1500x1086
图集11g101-1p79-80页
图片尺寸1011x721
11g101-1图集cad版-model
图片尺寸1188x918
11g101图集柱到板底,角筋锚固到板中,其他纵筋不用吗?
图片尺寸1500x1085
展开全部 11g101-1第77页 向左转 向右转
图片尺寸1600x1130
11g101-1:混凝土结构施工图平面整体表示方法制图规则和构造详图(现浇
图片尺寸1557x989
11g1011图集pdf免费版10
图片尺寸686x485
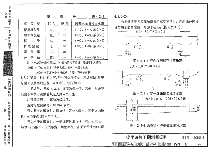
11g101-1最新框架梁水平和竖向结构的加腋构造
图片尺寸1240x1700
11g101-1:混凝土结构施工图平面整体表示方法制图规则和构造详图(现浇
图片尺寸1500x1070
你i好:参见11g101-1图集56页如图
图片尺寸1091x632
11g101-1图集中第16页
图片尺寸1169x827
关于建筑图集11g101-1的问题
图片尺寸1047x735
你好,钢筋的锚固长度,修正系数详11g101-1第53页
图片尺寸839x569