1502由壬标准尺寸图

工程科技 机械/仪表 由壬型号 由壬扣型 美国1502系列高压由壬 main
图片尺寸829x911
1502型由壬
图片尺寸646x389
西安秦森现货直销油气田专用全锻造 fig200 碳钢(a105)锤击由壬
图片尺寸712x547
连接件批发 耐低温1002系列锤击由壬 由壬规格及参考尺寸
图片尺寸845x531
供应206型,1002型,1502型高中低压由壬
图片尺寸750x633
正品行货假一赔百206型20海马由壬低压油田高压1002专用低压由壬
图片尺寸675x617
由壬规格及参考尺寸推荐用于注水泥,压裂,酸化,测试及堵塞和压井管线
图片尺寸1485x486
焊接由壬哪家好 专业2寸3寸4寸6000psi602高压焊接油壬1502
图片尺寸545x654
厂家直销 保质供应 油任 高压油任 2寸1502油任 602油任
图片尺寸554x656
景渤专业生产销售2寸fig200型由壬 fmc weco 螺纹由壬 固控
图片尺寸1920x640
供应由壬规格 由壬206 2 1502由壬 fig1002由壬图片_18
图片尺寸552x636
油田伸缩式刚由壬3寸1502由壬 高压焊接油壬油田橡胶由壬 钢由壬
图片尺寸800x800
河北宝特专业生产2寸fig100锤击由壬
图片尺寸845x531
高压由壬2寸3寸4寸fig1502油田配件lpnpt螺纹焊接活接头锤击油壬
图片尺寸683x682
fig1502型接头高压由壬 管线连接钻采用 螺纹不锈钢1502 高压油壬
图片尺寸800x800
供应由壬规格 由壬206 2 1502由壬 fig1002由壬图片_14
图片尺寸552x663
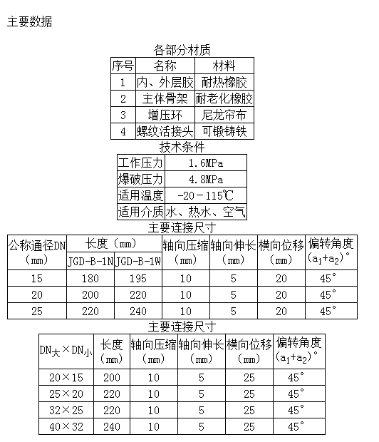
jgd-b1型风机盘管橡胶接头/活螺纹丝扣连接由壬接头尺寸表_管路_特点
图片尺寸532x620
factory best price high pressure 1502 union/fmc/weco hammer
图片尺寸672x517
非常规油气开采压裂施工致使高压管汇公由壬端的失效,怎么解决?
图片尺寸351x367
jgdb型丝扣连接橡胶接头由壬活螺纹接头结构尺寸图
图片尺寸511x518