151芯片逻辑图

74ls151应用电路图大全(全加器表决器)
图片尺寸495x448
图1 74ls151的逻辑图和引脚分布图(a)逻辑图(b)引脚分布图作者:未知
图片尺寸469x569
54ls151 74ls151_bdtic 厂家直销逻辑电路,可订制特殊应用标准54ls151
图片尺寸489x348
写出图3286所示8选1数据选择器74ls151组成电路的输出逻辑表达式
图片尺寸357x232
74ls151引脚图及功能表
图片尺寸263x242
151扩展为十六选一数据选择器要用几块芯片试画出逻辑电路图并列出真
图片尺寸1280x960
基于8选1数据选择器74ls151设计实现函数f=abc ac abc.
图片尺寸268x287
实验1 组合逻辑电路设1
图片尺寸343x301
爆红的血氧仪将带火哪些芯片方案?
图片尺寸1080x743
功耗模式介绍根据stm8l15x的数据手册,可以知道该芯片有5种低功耗模式
图片尺寸703x783
stc15增强型单片机开发板的电路原理图免费下载
图片尺寸426x340
tlc5615
图片尺寸877x673
内置国密算法的低功耗mcu芯片rjm8l151xxx系列
图片尺寸623x327
stc15f2k60s2芯片接线图
图片尺寸1094x421
mp1584en电源芯片12v转5v会烧芯片
图片尺寸1692x685
干电池升压芯片
图片尺寸681x429
一篇博客让你横扫数电常考所有集成电路芯片已更新50持续更新
图片尺寸594x382
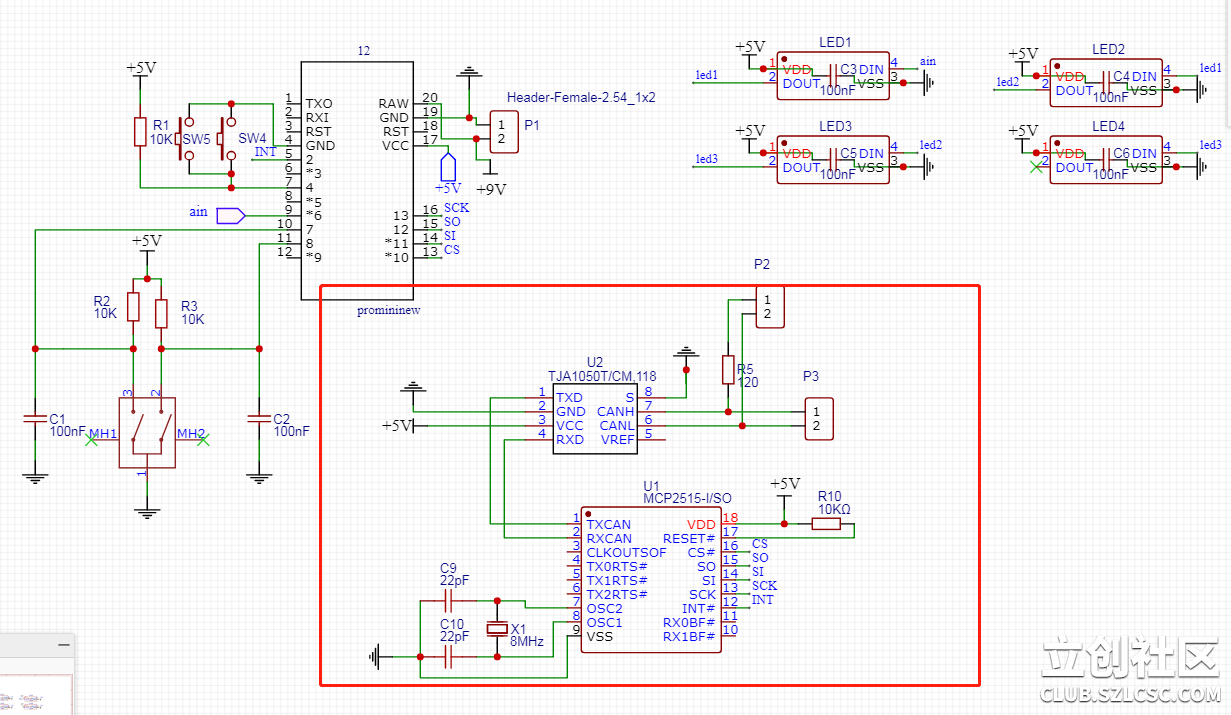
用mcp2515做can总线
图片尺寸1231x715
原装正品 74hc151d,653 soic-16 8输入多路复用器 贴片逻辑芯片
图片尺寸800x800
全新芯片74hc151d 74hc151 hc151 sn74hc151dr逻辑芯片 sop16窄体
图片尺寸750x750