1607的PFC电路图

pfc电路
图片尺寸2681x2088
pfc电源电路原理图
图片尺寸1246x823
海信空调pfc电路pfc和功率继电器
图片尺寸1005x595
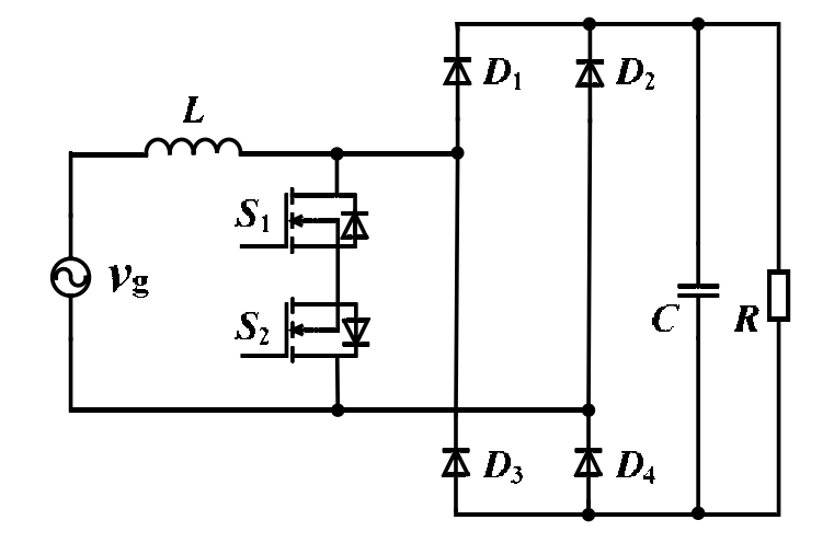
pfc校正主电路
图片尺寸1080x703
一种利用于大功率通信电源的高效pfc电路
图片尺寸1905x725
pfc电路原理与分析
图片尺寸582x425
pfc原理_pfc电路图及其原理_yyldecsdn的博客-csdn博客
图片尺寸769x504
基于ir1150控制芯片实现pfc电路的设计方案
图片尺寸713x385
pfc原理_pfc电路图及其原理_yyldecsdn的博客-csdn博客
图片尺寸761x496
pfc电路原理接线图
图片尺寸640x281
交错式pfc控制电路及电机驱动电路
图片尺寸2703x1175
松下等离子s9屏电源板pfc电路原理图
图片尺寸4189x3000
一种三相无源pfc滤波电路
图片尺寸2789x1536
一种无桥pfc电路的制作方法
图片尺寸1000x849
长城电脑atx300p4pfc开关电源电路
图片尺寸921x744
求助 一台液晶电视电源 pfc电路故障
图片尺寸1476x816
图4 典型的单相有源pfc电路及主要工作波形
图片尺寸361x445
l6561典型应用pfc电路
图片尺寸703x469
一种ccm模式图腾无桥pfc控制方法
图片尺寸698x597
一种pfc电路的制作方法
图片尺寸1000x543