2068dd 运放电路图

🎓 运放电路大集合:新手必看!🔧
图片尺寸1080x1074
运放知识点总结
图片尺寸1430x977
拆运放前要先考虑运放在电路中起到什么作用
图片尺寸696x612
运放电路中的这几个电容,都有什么用?#运放电路 #电路设计
图片尺寸1284x2530
运放电压扩展电路原理图
图片尺寸935x802
图说运放,常见运放电路及输入输出波形
图片尺寸1080x1440
图说运放:不谈原理,只谈应用
图片尺寸910x622
机器人编程干货:运放和比较器的典型应用
图片尺寸871x675
运放电路的放大倍数计算
图片尺寸1021x370
运放电路中的这几个电容,都有什么用?
图片尺寸1008x942
我们的解决方案来了!
图片尺寸612x408
分享运放电路应用实例分析
图片尺寸688x632
6,应用电路5,寄存器列表4,管脚定义3,原理框图2,特性sd2068具有一个
图片尺寸1078x576
几种常用的运放基本电路
图片尺寸916x511
运放电路:电压斜率检测的魔法师 🔧
图片尺寸3396x1668
多种运放典型电路的总结与解析,附电路图与公式
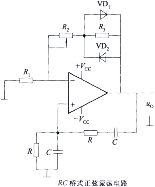
图片尺寸500x605
图片尺寸1284x2530
运放精密整流电路设计直播回放
图片尺寸1514x851
运放电路图大全
图片尺寸468x567
思义就是表示