220v碳刷电机原理

碳刷电机原理图
图片尺寸650x403
直流电动机的工作过程如下:直流电动机的工作原理图如上图甲所示,当
图片尺寸871x623
对调碳刷引出线也可以的.
图片尺寸500x312
手电钻定子线圈出2条线如何接碳刷和电源
图片尺寸800x600
直流电动机的工作
图片尺寸524x623
单相电机顺逆转
图片尺寸720x532
220v带电刷的电机能不能换向?
图片尺寸720x540
共进社一场活动搞懂直流有刷电机
图片尺寸996x882
一种碳刷电机制造技术
图片尺寸1000x900
电机碳刷坏了电机还能启动吗
图片尺寸750x390
碳刷 实验分散机专用碳刷 串激流电机碳刷
图片尺寸600x600
交流电机的工作和控制方式是怎么工作的
图片尺寸645x467
初三电动机的工作原理
图片尺寸718x412
请教220v单相碳刷电机定子绕组连线,谢谢
图片尺寸1080x1440
什么是单相电机什么是三相电机透彻的告诉你所有的三相电和单相电的
图片尺寸702x361
可以看出碳刷并不是发电机机输出,碳刷是为转子提供励磁电压用的.
图片尺寸790x547
电机碳刷的介绍
图片尺寸800x573
碳刷电机工作原理「专家回答」
图片尺寸1080x637
4 所示为无刷直流电机的转动原理示意图,为了方便描述,电机定子的线圈
图片尺寸800x416
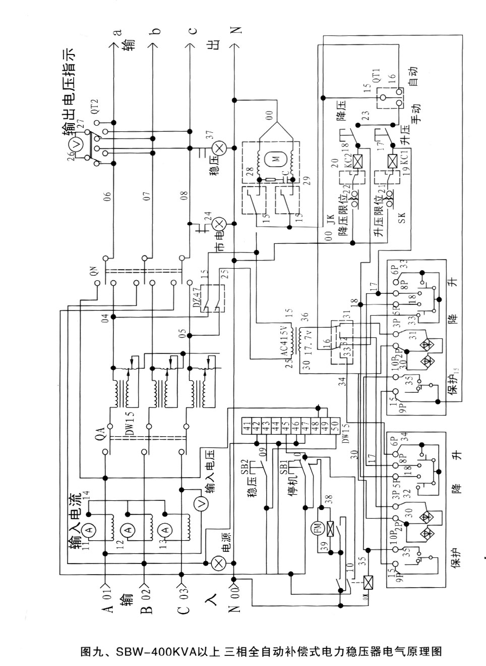
稳压器由调压电路,控制电路,及伺服电机等组成.
图片尺寸964x1319