220v退磁器电路图

消磁_电路
图片尺寸657x342
一个消磁电路的问题
图片尺寸512x384
scr_电路
图片尺寸927x401
退磁的原理与方法
图片尺寸1080x805
p>退磁(demagnetization)又称磁清洗(magnetic cleaning),消磁等
图片尺寸600x250
一种铁氧体磁瓦充退磁控制电路的制作方法
图片尺寸1000x524
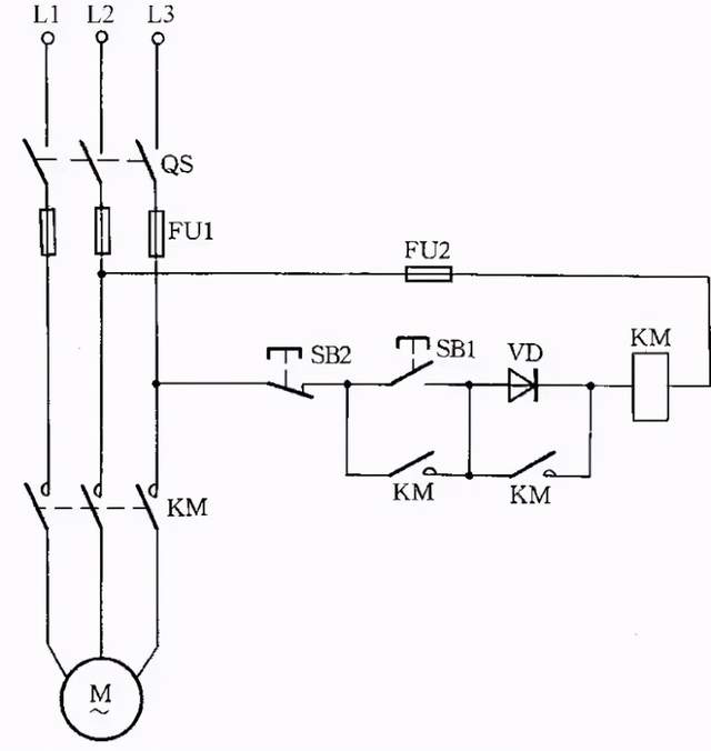
锂电池接线方法图41条电路接线方法每一条都是10年经验总结
图片尺寸640x676
磁带消磁器电路图
图片尺寸431x594
彩色电视机自动消磁电路原理图
图片尺寸345x205
cn104166107b_退磁检测控制模块以及退磁检测系统有效
图片尺寸969x1000
电磁吸盘和退磁器
图片尺寸578x349
一种微机控制充退磁装置,由单片机,同步信号发生电路,继电器控制电路
图片尺寸2432x1568
电磁炉过温保护电路原理分析
图片尺寸801x501
爱国者pa55aas彩显单元电路故障解析
图片尺寸394x277
无忧文档 所有分类 工程科技 电子/电路 焊接坡口退磁的实用方法
图片尺寸906x450
10年 经验总结:41条电路接线方法|变压器|电动机|接触器|继电器|吹
图片尺寸640x445
输送式退磁机 设备可定制选择380v输入或220v输入,标配380v
图片尺寸640x445
那些年败过的修表工具
图片尺寸1080x1440
油冷型退磁器
图片尺寸480x765
我公司主营电磁铁,电磁吸盘,起重电磁吸盘,控制器,退磁器等
图片尺寸960x1280