22218轴承尺寸规格图

免维护双列调心滚子轴承 22218e/w64 食品级机械润滑固态油脂轴承
图片尺寸534x733
22218 ek *轴承尺寸参数图
图片尺寸518x253
skf 22218 e轴承尺寸图纸
图片尺寸924x630
外球面轴承各系列型号参数对照表
图片尺寸746x778
fsaf22218轴承_skf fsaf22218_skf轴承fsaf22218尺寸参数
图片尺寸1050x620![fag轴承 圆柱滚子轴承 nu2212-e-xl-tvp2 [规格参数 价格 图片 采购]](https://i.ecywang.com/upload/1/img2.baidu.com/it/u=3904923225,1530071357&fm=253&fmt=auto&app=138&f=JPEG?w=500&h=1350)
fag轴承 圆柱滚子轴承 nu2212-e-xl-tvp2 [规格参数 价格 图片 采购]
图片尺寸992x2679
调心滚子轴承22218ccw33电厂热风机钢厂轧机用耐高温调心滚子轴承江苏
图片尺寸691x606
供应1318k 22218cak/w33 h318轴承和紧定套 hrb轴承 lyc轴承
图片尺寸1419x1920
skf 22218ek轴承
图片尺寸2524x1100
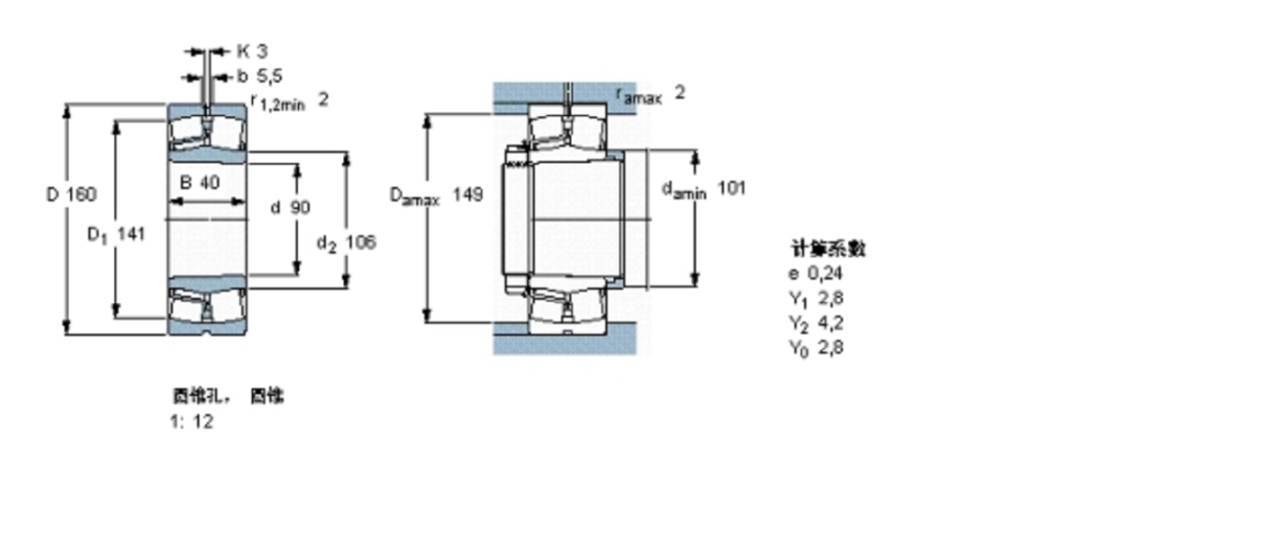
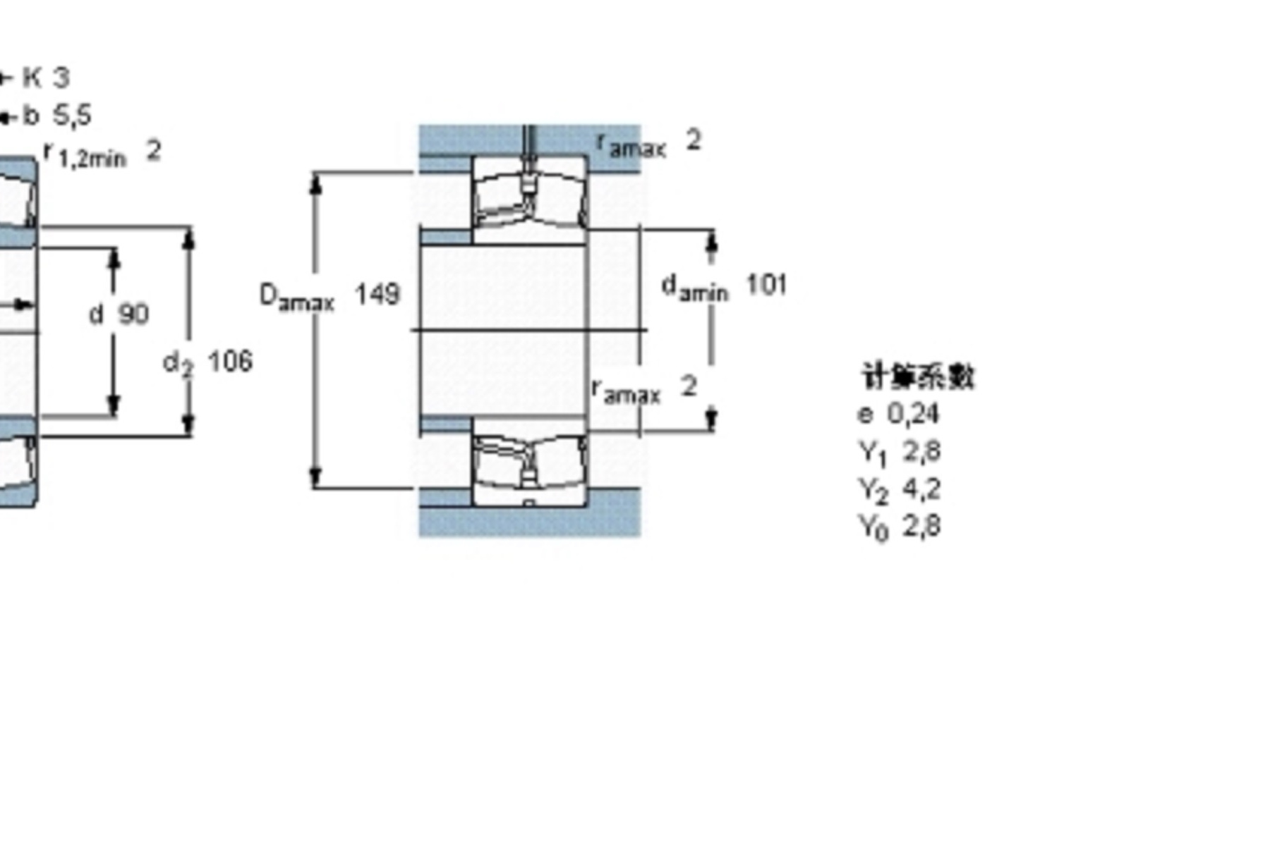
skf 22218e轴承
图片尺寸1800x1200
22222ccw33耐高温300度调心滚子轴承钢厂锅炉瓦楞机专用江苏鲁岳耐
图片尺寸879x447
22218ek轴承_skf 22218ek_skf轴承22218ek尺寸参数
图片尺寸780x340
22318came4轴承调心滚子轴承22318camke4c3s11规格江苏省无锡市
图片尺寸1336x821
自润滑防尘圈向心关节轴承ge15 17 20 25 30 35 40 50 60er-2rs
图片尺寸790x1060
skf 22318ek h2318轴承,-球面滚子轴承尺寸,22318ek h2318*价格-轴承
图片尺寸524x221
sn3000/sn3100轴承座尺寸参数:1500系列/1600系列轴承座瓦盒尺寸:z
图片尺寸588x800
skf saf22228轴承
图片尺寸1050x620
asahi轴承规格说明,尺寸
图片尺寸800x1036
skf 22228-2cs5k/vt143轴承,-球面滚子轴承尺寸,22228-2cs5k/vt143*
图片尺寸496x278
项目名称 nsk 调心滚子轴承 22205 22208 22210 22214 22218 轴承尺寸
图片尺寸781x1320