24c02bn引脚图及功能

at24c02芯片介绍
图片尺寸716x395
at24c02芯片引脚配置
图片尺寸915x634
基于stc12单片机的24c02程序自己写的高质量代码
图片尺寸276x340
fpga驱动24c04实现读写操作,提供工程源码和技术支持_小言_互联网的
图片尺寸611x417
24c02引脚图与中文pdf资料手册下载
图片尺寸1190x1684
24c02模块
图片尺寸599x427
p>at24c02是一个2k位串行 a target="_blank" href="/item/cmos
图片尺寸680x432
at24c02 at24c02an 24c02n 24c02bn 直插dip8 at24c02c-pum
图片尺寸800x800
at24c02c-pum at24c02 at24c02an 24c02n 24c02bn 直插dip8 配单
图片尺寸800x800
第5页.jpg
图片尺寸2481x3211
24c02引脚图.jpg
图片尺寸500x532
stm32cubemx(5)——iic读写24c02
图片尺寸934x942
at24c02bn 24c02bn sop8贴片 存储器芯片 全新现货
图片尺寸750x750
1)24c02芯片介绍
图片尺寸1089x439
hk24c02 eeprom 基本特性
图片尺寸1539x1140
原装正品 at24c02bn-sh-t at24c02n 24c02n sop-8 存储器芯片
图片尺寸800x800
at 24c02 24c04 24c08 24c16 24c32 24c64 n an bn cn c 存储芯片
图片尺寸800x600
stm32f103模拟eeprom存储实践
图片尺寸1062x478
24c02资料eeprom存储器
图片尺寸752x525
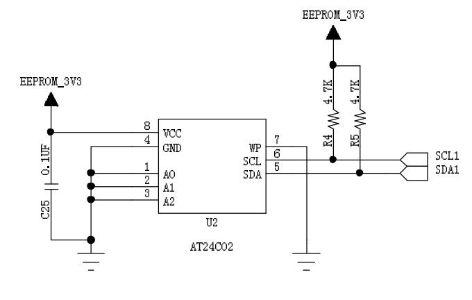
引脚m24c02的scl及sda引脚连接到了stm32对应的i2c引脚中
图片尺寸713x622