25q32引脚功能电路图

【成功案例】兆易创新spi nor flash芯片gd25q32csig用于ktv点歌设备
图片尺寸775x354
25q64引脚图与电路原理图及pdf中文资料下载 8m闪存芯片
图片尺寸484x257
首页 69 单片机/嵌入式 69 stm32-f0/f1/f2专区 69 关于写w25q
图片尺寸627x501
u6为w25q64芯片,1脚cs为片选引脚,拉低有效,6脚为spi时钟clk,2脚,3脚
图片尺寸734x361
选型serialflashgd25q32csagr可替换micron的n25q032a13esea0ftr
图片尺寸421x291
5 0-15v可调数控开关电源原理图
图片尺寸1210x1431
1 供电与 ch340 电路使用两个 tpye-c 和一个 dc 端子供电,dc1 就是
图片尺寸834x447
25q64引脚图与电路原理图及pdf中文资料下载8m闪存芯片
图片尺寸498x356
集成电路芯片引脚图
图片尺寸574x370
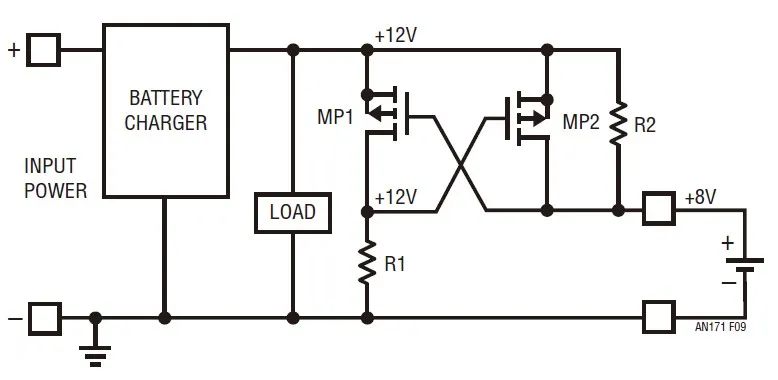
图 9:采用 pmos 保护电路时可能的阻塞状态图解为了实现该条件,电池
图片尺寸778x380
绘制一个stm32最小系统的电路原理图;完成stm32 sd卡 的系统原理图
图片尺寸1308x833
1 供电与 ch340 电路使用两个 tpye-c 和一个 dc 端子供电,dc1 就是
图片尺寸1060x413
应用兆易创新32mbitspiflashgd25q32csig用于智能门锁安全数据配置
图片尺寸700x267
基于at89s52和cpld的自动巡线轮式机器人控制系统
图片尺寸397x372
25q64引脚图与电路原理图及pdf中文资料下载8m闪存芯片
图片尺寸406x327
spi flash芯片w25q32英文版数据手册解读(一)---------引脚功能,工作
图片尺寸874x580
引脚示意图
图片尺寸536x600
液晶电视易损集成电路—fsfr1700,fan7529mx,fsdh321,fsq0465
图片尺寸1902x1799
卫星接收器 主板电路图
图片尺寸987x615
stm32h750/743,他们家核心板上使用了qspi挂了2片flash,型号为w25q256
图片尺寸870x691