2bv5111真空泵参数

真空泵参数表
图片尺寸800x1132
定制2bv511真空泵 2bv-5121抽气泵 2bv水环式真空泵 2bea-420泵头
图片尺寸790x1900
2bv系列水环式真空泵性能参数表
图片尺寸800x623
博山真空泵厂家直销2bv6110真空泵 水环式真空泵 真空泵机组
图片尺寸700x939
2bv 真空泵概述
图片尺寸1414x1920
2bv水环式真空泵
图片尺寸800x983
2bv水环式真空泵水循环真空泵工业用大型高真空抽气负压泵压缩机 2bv
图片尺寸790x1276
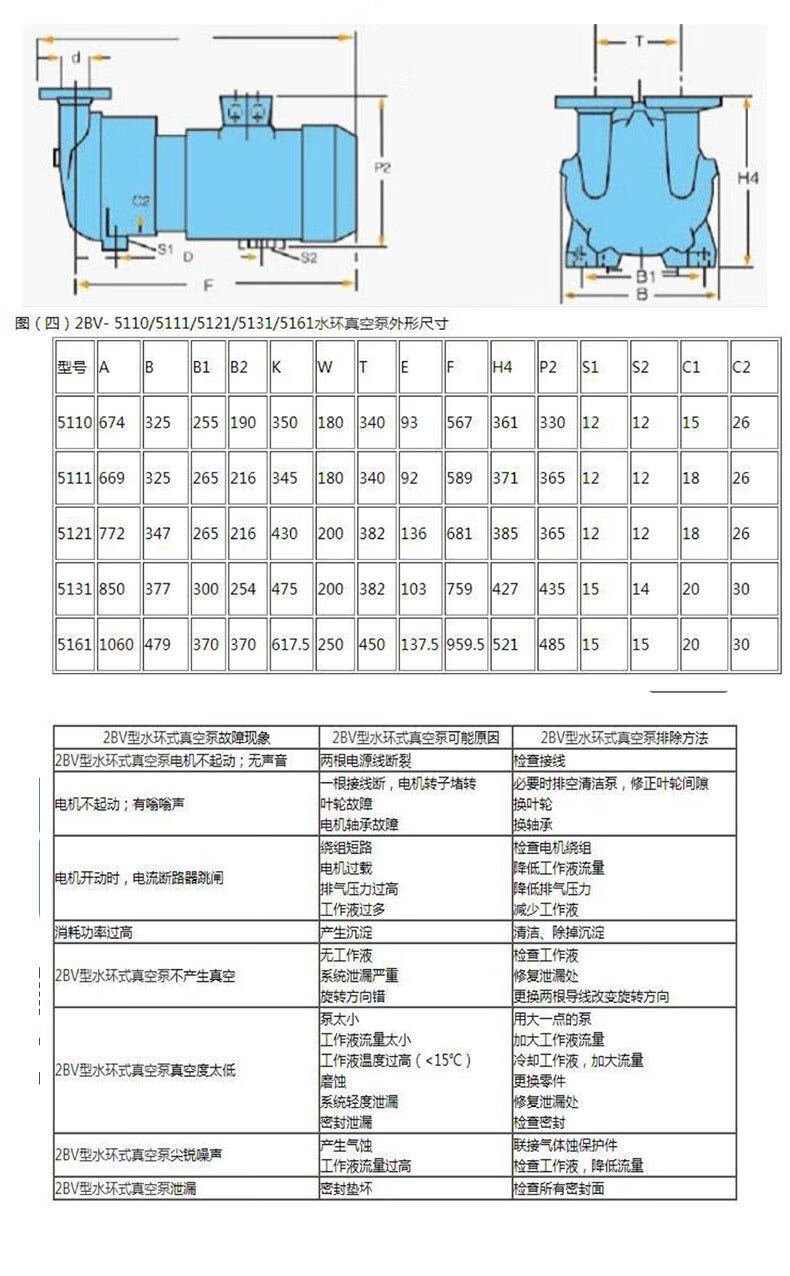
2bv型水环式真空泵 技术参数
图片尺寸950x844
2bv水环式真空泵 循环水2bv5111真空泵 5.5kw工业多用途泵
图片尺寸790x816
2be水环真空泵参数1
图片尺寸1000x1380
2sk真空泵选型参数
图片尺寸790x721
2bv水环真空泵
图片尺寸631x458
2bv水环式真空泵工业用不锈钢水循环防爆无油高真空配件 5121-7.
图片尺寸665x849
2bv 2bv型水环式真空泵
图片尺寸848x413
出售优质2bv系列水环式真空泵及压缩机
图片尺寸800x1012
无油螺杆真空泵参数
图片尺寸1027x564
2bv水环式水循环真空泵工业用大型高真空抽气负压泵压缩机g可定制2bv
图片尺寸790x1127
真空泵水环式真空泵2bv5161型水环式真空泵
图片尺寸790x1237
zj罗茨真空泵性能参数表
图片尺寸893x332
水环真空泵 2bv2061水环式循环水真空泵 上海沪真真空泵 厂家直销
图片尺寸790x816