2n3055扩流电路图

ocl 2n3055.jpg
图片尺寸895x501
2n3055制作20w甲类暖声功放电路图
图片尺寸680x560
2n3055_电路
图片尺寸600x275
2n3055金封功率三极管
图片尺寸626x470
三极管2n3055组成的简易dcdc降压电路图(电感降压式/线性稳压电源)
图片尺寸659x371
关于2n3055的线性稳压器的问题
图片尺寸1479x621
文档下载 所有分类 工程科技 电子/电路 > 使用2n3055制作20w甲类温暖
图片尺寸500x412
扩流电路图
图片尺寸395x239
各路高人,用2n3055三极管做无触点开关可控制dc24v36w的电磁铁吗?
图片尺寸350x236
40w2n3055功放电路图
图片尺寸858x571
扩流电路
图片尺寸930x407![[转帖]2n3055制作20w甲类暖声功放电路图](https://i.ecywang.com/upload/1/img2.baidu.com/it/u=4077481255,2172394278&fm=253&fmt=auto&app=138&f=GIF?w=500&h=412)
[转帖]2n3055制作20w甲类暖声功放电路图
图片尺寸680x560
2n3055简易功放电路图大全音频功率放大器扬声器晶体管
图片尺寸799x541
2n3055功放电路
图片尺寸920x1302
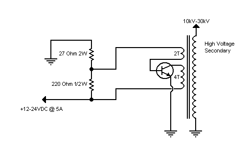
2n3055单管自激高压包制作30w特斯拉线圈
图片尺寸520x350![2n3055[1].gif](https://i.ecywang.com/upload/1/img1.baidu.com/it/u=3750904141,4201046254&fm=253&fmt=auto&app=138&f=GIF?w=507&h=316)
2n3055[1].gif
图片尺寸507x316
2n3055自激振荡电路
图片尺寸640x480
扩流电路基本电路图
图片尺寸330x302
朋友送的30v3a可调电源维修记录并改到5a
图片尺寸1181x1526
2n3055功放电路图
图片尺寸478x211