3匹天花机接线图

扬子3匹吸顶空调接线图
图片尺寸340x373
请教高手华凌空调3匹吸顶机怎么接线,英文线路图看不懂
图片尺寸540x960
空调挂式挂机通用改装电脑板柜机万能维修主板带记忆数字显示辅热
图片尺寸800x869
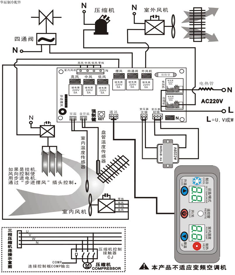
群达qd-u30a 吸顶机天花机通用型空调电脑板天花机万能控制改装板
图片尺寸1000x1000
易航通用立式柜机天花机空调电脑板万能板3p5p带电加热控制板
图片尺寸804x943
群达qd-u30a 吸顶机天花机通用型空调电脑板天花机万能控制改装板
图片尺寸750x1137
美的10匹1拖2天花机接线有没有什么问题,有懂行的研究一下
图片尺寸2880x2160
天花机吸顶机t型空调万能电脑板版 通用改装板带水泵水位双温数显
图片尺寸1000x923
请教高手华凌空调3匹吸顶机怎么接线,英文线路图看不懂
图片尺寸540x960
吸顶制冷天花机5匹变频挡风板嵌入式中央空调商用家用天花机空调 3匹
图片尺寸800x800
yt--m07天花机 吸顶机专用亿瑞特空调电脑主板改装板通用板万能板
图片尺寸1440x1920
金羚排气扇天花金属分体式管道抽风机工业排风扇强力大风增压风机
图片尺寸2480x3840
rb307商用空气能电脑板 万能通用控制板 双系统改装版 中央空调
图片尺寸1322x1412
单开三控开关
图片尺寸720x960
3匹格力悦风空调如何接线 空调安装#
图片尺寸330x587
金羚暖风机卫生间取暖器集成吊顶厕所家用嵌入式浴室防水风暖浴霸
图片尺寸1500x2322
隔三差五总有人打电话给我,新装天花机上电无反应
图片尺寸1280x1706
格力3匹天井机接线图
图片尺寸540x960
挂机空调电脑板通用空调控制板冷暖型双探头主板电机万能改装板
图片尺寸750x1546
第88集|海尔三相空调接线顺序#亳州电工电路#电工维修@亳州电工电路
图片尺寸1080x810