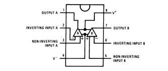
353运放引脚图

lf353
图片尺寸434x257
lf353引脚那个是第一脚啊?
图片尺寸446x222
lf353mx运算放大器芯片中文资料规格书产品文档pdf数据手册引脚图
图片尺寸333x141
ti 运放放大器ppt
图片尺寸1080x810
放大器引脚信主要特性 lf353 双jfet输入运算放大器
图片尺寸1383x1879
常见运放引脚图
图片尺寸381x225
运放推动.png
图片尺寸1657x787
lf353构成的同相并联减法电路
图片尺寸640x682
lf353dr运算放大器中文资料产品描述规格参数pdf数据手册引脚图原理图
图片尺寸228x106
一个奇怪的lf353p运放电路求分析
图片尺寸1213x597
实验五 运放的线性应用(仿真)ppt
图片尺寸1080x810
358通用运放/general operational amplifier
图片尺寸580x456
集成运放的典型电路ppt
图片尺寸1080x810
集成运放的管脚图及符号 f007管脚图 符号 8 7 6 5 a u- - f
图片尺寸1080x810
预习要求 (1)熟悉集成电路芯片ua741的引脚图及功能; (2)掌握集成运放
图片尺寸1080x810
集成运放的简单应用
图片尺寸322x262
2024年运放的参数详解及应用电路_lf353,来一份全面的面试宝典练练手
图片尺寸834x625
运放电路
图片尺寸1200x950
运放的参数详解及应用电路
图片尺寸554x394
图1-lm741经典运放引脚定义
图片尺寸720x424