35kv耐张金具组装图

电力金具的介绍
图片尺寸500x667
供应电力金具光缆金具 耐张线夹 耐张金具的报价 opgw光缆金具
图片尺寸910x500
10kv-35kv线路杆型实体组装图
图片尺寸893x1263
一棵电杆上有些什么金具
图片尺寸960x720
双耐张线夹 光缆金具 拉线线夹
图片尺寸609x290
一般分为悬垂线夹,耐张线夹,连接金具,接续金具,保护金具和拉线金具六
图片尺寸826x1131
架空线路电力金具介绍
图片尺寸640x480
金锚 厂家供应 螺栓型耐张线夹nld 接续金具
图片尺寸750x1169
计鹏分享风电场架空输电线路常用金具的分类和用途
图片尺寸705x345
单串耐张(或转角)绝缘子串的组装部件表(1)单串耐张绝缘子串组装设计
图片尺寸1868x852
永固线路金具耐张线夹ny95bg整锻钢锚铝包钢绞线用液压型
图片尺寸268x399
nejjnenxjjnx楔型绝缘耐张线夹
图片尺寸670x426
图8-52 500kv双串两点固定耐张绝缘子串组装设计及零件配置1-u型挂环
图片尺寸1167x756
最新供应 西安耐张线夹厂家怎么样2015/8/6 西安电力金具什么价格?
图片尺寸567x526
明捷nld螺栓型耐张线夹锻造铸铁玛钢电力金具线夹热镀锌耐张线夹
图片尺寸750x750
恒东电力10kv35kv绝缘子跳线串地线金具串
图片尺寸974x602
供应电力金具,耐张线夹,nld看锻铸铁耐张线夹
图片尺寸800x443
耐张线夹
图片尺寸600x454
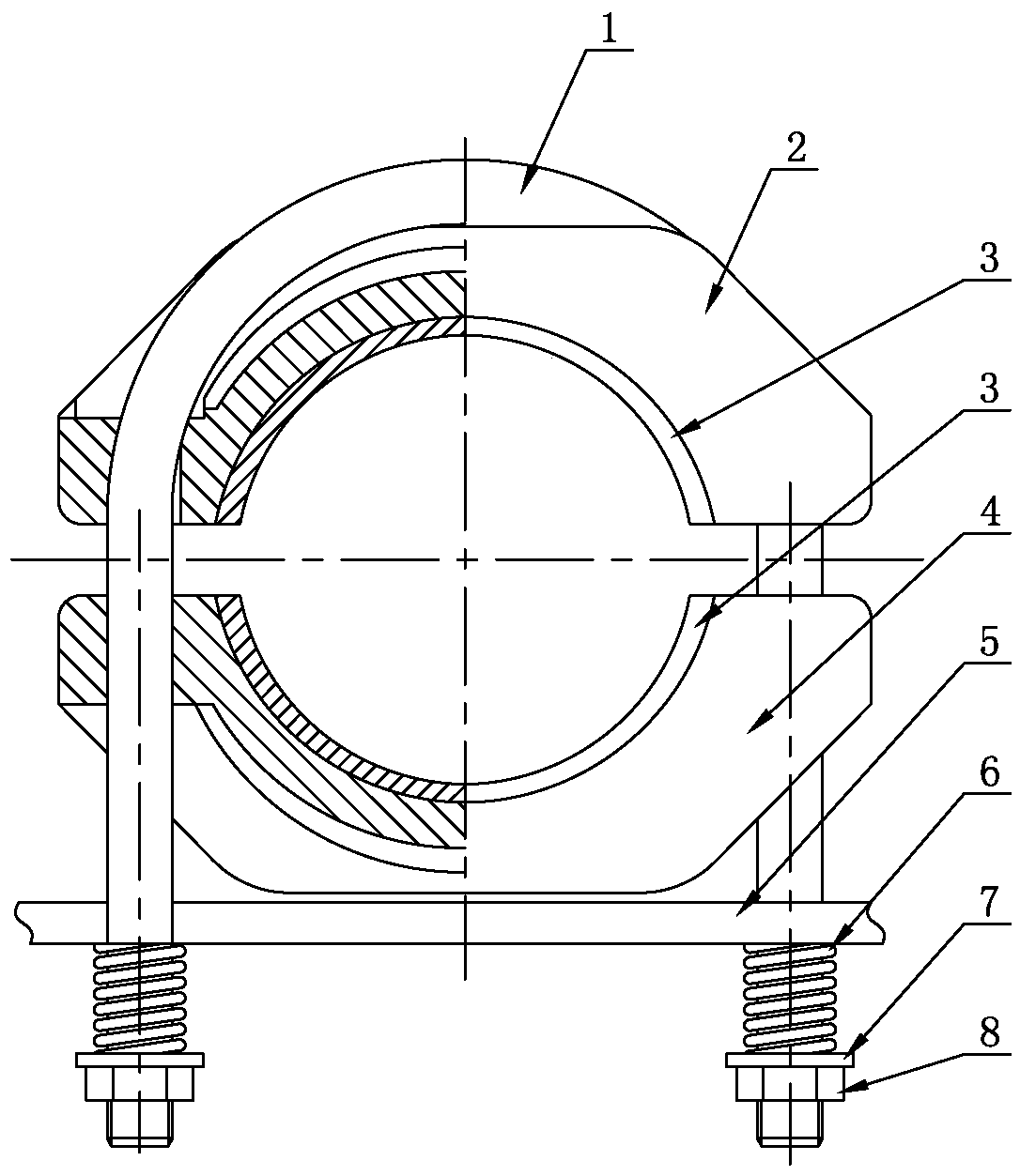
一种铝制高压电缆固定金具
图片尺寸1086x1253
耐张金具,opgw光缆耐张线夹
图片尺寸750x750