422接口电路原理图

422通信使用总结
图片尺寸884x479
ttl转rs422转接板原理图
图片尺寸576x321
uart转rs422
图片尺寸700x441
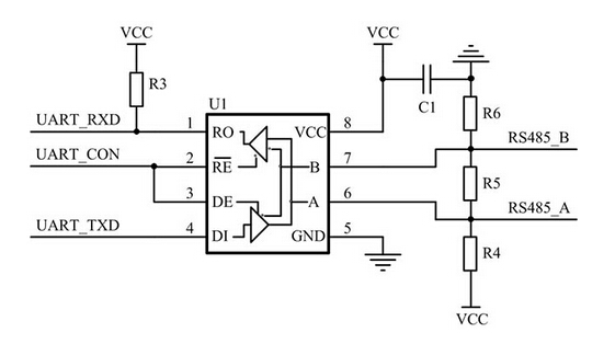
典型的rs422,rs485接口电路怎么设计?
图片尺寸556x239
载系统的数据通讯应用,介绍了相应硬件接口和软件程序的设计实现方案
图片尺寸888x504
usb转rs422带隔离电路设计(cais3082w替代方案)
图片尺寸663x393
5> rs422电路
图片尺寸1262x681
usb转rs422带隔离电路设计(cais3082w替代方案)
图片尺寸719x644
如原理图,为什么rs-422总线要经过这个收发器?
图片尺寸724x347
rs422接口电路
图片尺寸353x274
典型的rs422,rs485接口电路怎么设计?
图片尺寸615x254
rs422与rs485
图片尺寸1043x863
基于spi总线技术的同步422接口设计-文章-基础课-电路分析 - 畅学电子
图片尺寸523x380
基于隔离型rs422芯片max1490aepg实现高可靠性rs422通信接口的设计
图片尺寸561x212
图7-10 rs232c/rs422转换的电路原理
图片尺寸446x185
rs232转rs422详细连接电路原理图资料免费下载
图片尺寸550x297
环境计算机总线接口技术领域,特别是一种完全隔离型usb转rs422电路
图片尺寸1000x377
载系统的数据通讯应用,介绍了相应硬件接口和软件程序的设计实现方案
图片尺寸687x451
ft2232c与rs422转换电路图
图片尺寸549x410
rs422rs485通信接口原理图
图片尺寸561x314