4275g芯片引脚图定义

gm4275tc5rg参数datasheetpdf下载
图片尺寸827x1169
芯片脚位定义
图片尺寸920x1302
bd42754fp2-ce2
图片尺寸1023x1505
新电子技术基础三教案
图片尺寸709x1030
tle4275g 参数 datasheet pdf下载
图片尺寸826x1169
图1 芯片引脚定义
图片尺寸393x272
各种芯片针脚定义接线图 - 抖音
图片尺寸541x861
ncv4275adt50rkg低压差稳压器芯片中文资料pdf数据手册引脚图参数
图片尺寸714x587
stp4435a引脚图与pdf资料下载
图片尺寸710x464
电机驱动芯片l298n和l293d区别
图片尺寸872x649
芯片引脚及主要特性w78c338位微控制器
图片尺寸1481x1950
wt2003hx语音芯片,是一款专为自定义语音播放领域开发的低成本解决
图片尺寸535x760
芯片引脚及主要特性mc68hc11g5,8位微控制器(a/d)
图片尺寸2908x2514
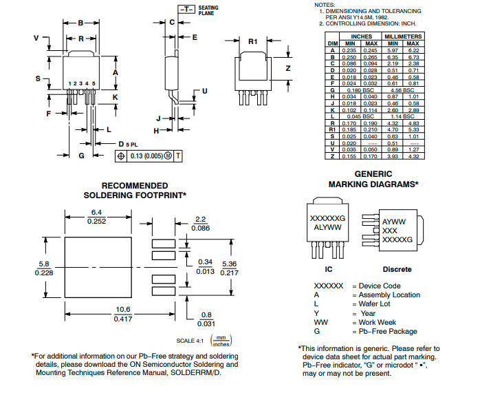
tle4275gv33 参数 datasheet pdf下载
图片尺寸826x1169
基于rda5807收发芯片的调频收音机制作
图片尺寸509x426
芯片引脚及主要特性8271可编程软盘控制器
图片尺寸1176x1776
充电头网总结东科半导体vl系列同步整流芯片引脚布局简洁,易于集成,可
图片尺寸973x1136
axp209电源系统管理应用芯片介绍
图片尺寸370x333
> uc3845bd (on semiconductor)ic reg ctrlr pwm cm 14-soic pdf资料
图片尺寸802x1038
spi转can芯片csm300详解以及linux驱动移植调试笔记
图片尺寸860x455