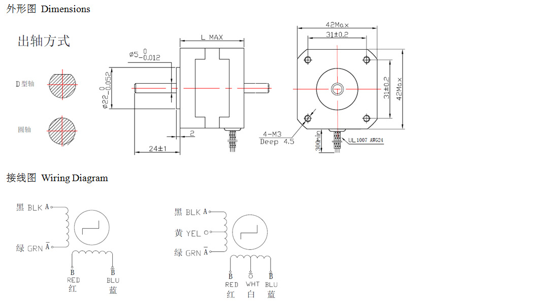
42bygh34步进电机接线

42byg系列二相步进电机接线图
图片尺寸300x434
42步进电机套装42bygh34扭矩028nm长34mm驱动器40a现货42电机013ntb
图片尺寸662x437
42步进电机套装42bygh34扭矩028nm长34mmtb6600驱动器40a42bygh47双出
图片尺寸667x582
86bygh混合式步进电机_接线图分享
图片尺寸1307x575
42步进电机/42bygh40/1.8度/雕刻机/12v步进电机/3d打印机电机
图片尺寸750x1081
二相混合式步进电机42系列_接线图分享
图片尺寸624x425
130步进电机套装接线示意图
图片尺寸750x866
42步进电机/33mm 1.3a 配套 42步进电机驱动器 2a 128细分 套装
图片尺寸685x561
厂家供应42byghbw微型步进电机375步进马达电机
图片尺寸1097x607
怎么连接dspf2812开发板和l298n步进电机驱动模块
图片尺寸738x472
信捷步进电机大厂生产过硬品质42bygh03818个月质保
图片尺寸640x886
86步进电机套装86bygh450-125 配rv040涡轮减速机1:10 配dm860
图片尺寸554x360
步进电机42byg两相步进电机nema17 42bygh 42hs系列步进电机x
图片尺寸760x1387
42步进电机套装42bygh34 扭矩 0.30n.m 34mm 驱动器控制板4.0a
图片尺寸790x664
5,42byghj30,42byghj75,精密减速步进电机
图片尺寸608x828
大扭矩42步进电机0.
图片尺寸618x564
s7200与步进电机驱动器的接线图
图片尺寸683x572
57(byg1.8方型八角槽)步进电机定转子铁芯_接线图分享
图片尺寸590x310
适用于130步进电机套装50nm驱动器220v大力130bygh350d步科 3dm2283
图片尺寸990x1021
42步进电机 42byg40 扭矩 0.4n.m 长39mm 打印机电机 雕刻机钻床
图片尺寸717x242