4435应用电路图

axs4056是一款单节锂离子电池线性充电管理芯片
图片尺寸600x450
降压模块电路
图片尺寸1376x788
12v转5v芯片5ua静态电流500ma tp2063低压差线性稳压器框图
图片尺寸640x367
slkor锂电池电源管理芯片sl4054芯片功能及应用
图片尺寸634x435
就用这个电路,调整电阻,电感和和电容来控制输出电压大小
图片尺寸936x649
433/315 无线接收芯片 xl700,高集成度,低功耗射频芯片
图片尺寸1198x500
12v转5v电路
图片尺寸991x375
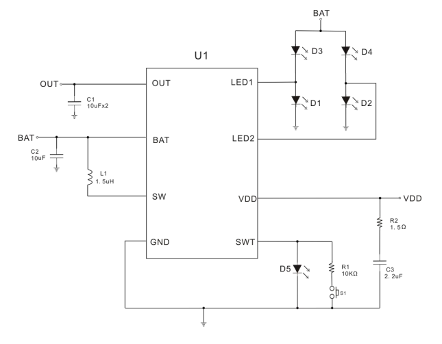
tp4366e中文资料 放电输出5v/1a 同步移动电源方案
图片尺寸645x503
stp4435a引脚图与pdf资料
图片尺寸386x535
🔋 600ma锂电池充电管理芯片详解
图片尺寸572x274
典型应用电路
图片尺寸1904x1256
电路原理图
图片尺寸1509x984
二,测试电路
图片尺寸1920x1079
矽源特chipsourcetek
图片尺寸600x450
简单的外部应用电路非常适合便携式设备应用,适合 usb 电源和适配器
图片尺寸649x657
图片尺寸1700x2100
官方提供的典型应用电路
图片尺寸1529x759
图片尺寸876x591
555定时器电路简析及其工程应用
图片尺寸999x841
1566,基于51单片机的温度报警
图片尺寸1090x763