485芯片电路图

rs485 电路图----普通收发
图片尺寸1522x874
不带控制端 485 通讯电路 ——模块编号:****** ——器件型号:主芯片
图片尺寸893x372
ttl自动转485电路
图片尺寸2061x869
485自动收发电路
图片尺寸1040x493
sp3485芯片 485通信数据乱码
图片尺寸590x366
谁能教教我用rs485max485芯片怎么和c52单片机建立通讯程序怎么写
图片尺寸638x279
rs485芯片电路.jpg
图片尺寸736x282
隔离型485接口电路图示例图
图片尺寸890x500
rs485 三极管和max485搭载零延时自动收发电路 按我图片上这种行不行?
图片尺寸748x338
rs485接口电路学习
图片尺寸1470x713
485通信电路详解
图片尺寸1073x489
现在说一下我要说的主题:485的自动收发电路大家可能说,网上不是很多
图片尺寸1145x424
rs-485自收发电路的参考设计
图片尺寸930x360
同时采用tx连接三极管,实现三极管驱动rs485芯片的en使能脚,从而省下
图片尺寸1289x511
rs485类的芯片很多,这节课我们以max485为例讲解rs485通信,如图18-1
图片尺寸922x370
通信电路 ,特别涉及一种具有自动收发功能的rs-485芯片及其控制方法
图片尺寸1000x487
rs485总线接口电路
图片尺寸736x517
转接芯片的发送状态指示引脚来控制 485 使能.
图片尺寸681x226
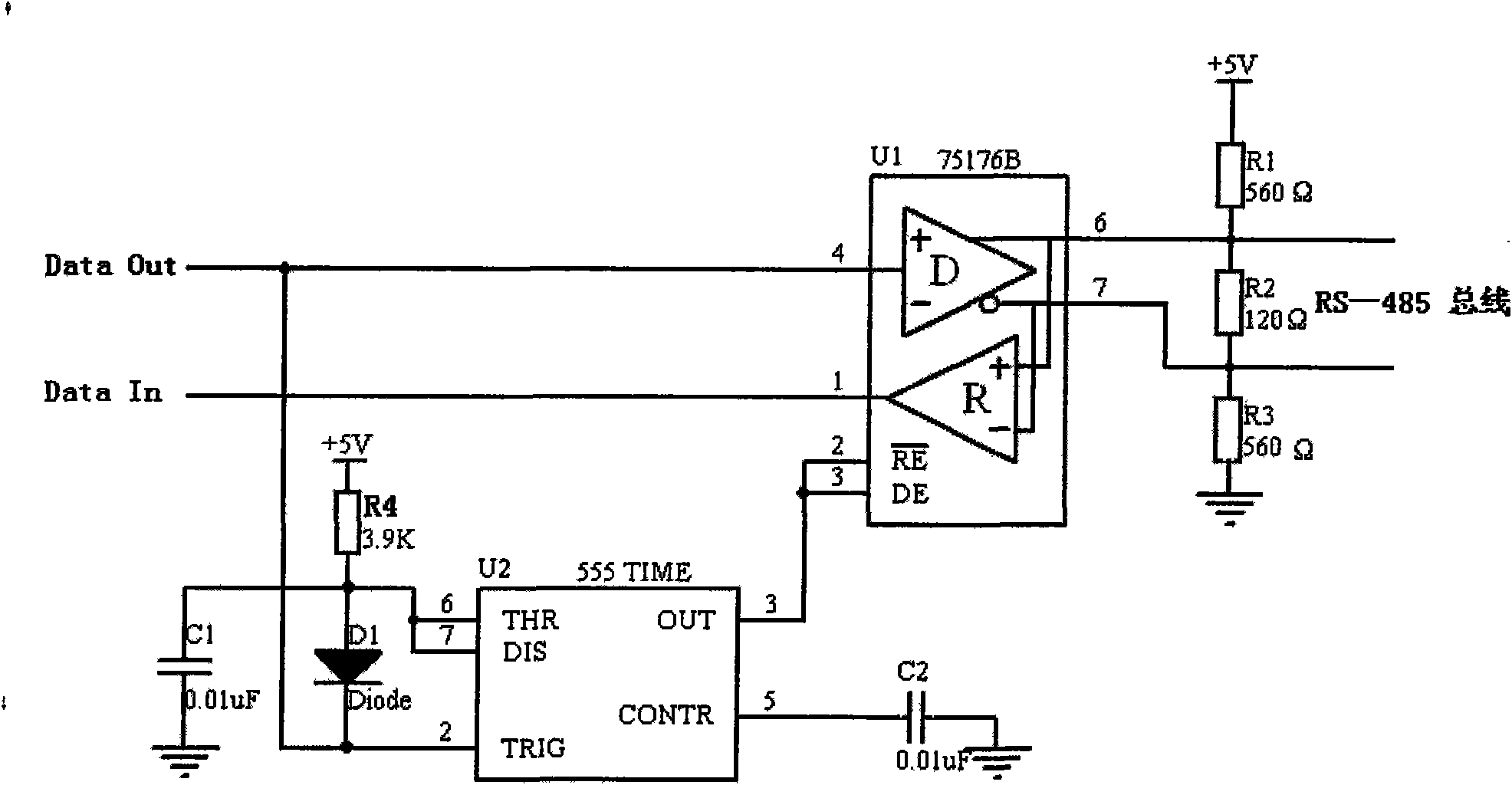
现以8031单片机自带的异步通信口,外接75176芯片转换成485总线为例
图片尺寸696x392
本实用新型公开了一种rs-485收发自动转换电路,包括由rs-485芯片u1
图片尺寸1972x1024