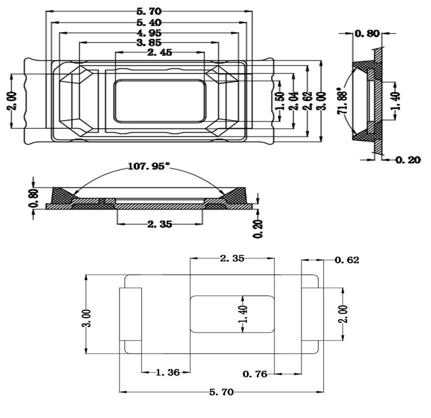
5730灯珠参数

热卖最省钱的背光源5730光源裸灯条灯板52cm 8wled灯箱/展柜灯条
图片尺寸783x602
朗孚光电5730led灯珠琥珀光灯珠规格书找厂家咨询
图片尺寸790x850
深圳led灯珠厂家5730白色smd灯珠发光二极管单
图片尺寸750x541
伟方成led灯珠批发 5730白光贴片灯珠 0.5w高亮高显白光灯珠定制
图片尺寸1078x965
保三年1电压1bin5730灯珠3v0.5w白光65lm发光二极管铜支架暖白
图片尺寸790x2222
5730 2835双色参数
图片尺寸850x510
【厂价直销】5730灯珠 50-55lm
图片尺寸1010x494
大功率光源吸顶灯5730 5630贴片led发光二极管灯珠水晶吊灯正白暖
图片尺寸1024x1024
led灯珠厂家直销5730灯珠0.5w白光现货供应led贴片5730 0.5w正白
图片尺寸636x475
专业级配置了德国欧司朗5730高品质灯珠,发光颜色 暖白光:色温
图片尺寸750x534
led5730冰蓝光灯珠 高光效5730调粉灯珠 led鑫科厂家定制灯珠
图片尺寸864x837
输入电压 220(v) led芯片品牌 木林森 led灯珠型号 2835/5050/5730
图片尺寸750x561
5730贴片9w12w18w球泡蜡烛灯天花灯筒灯光源灯珠铝基板灯板100mm
图片尺寸800x414
led工艺过程与灯珠品质参数关系
图片尺寸1006x1013
包邮smd5730贴片灯珠5630led高亮白光暖光红绿绿蓝led灯珠
图片尺寸800x800
led灯珠型号对照表,led灯珠型号对照表5730灯珠参数电压,买灯珠,找台
图片尺寸791x916
5730/5630贴片灯珠 白色白灯 led高亮照明专用白光 40-45lm 0.5w
图片尺寸400x251
led灯珠型号对照表,led灯珠型号对照表5730灯珠参数电压,买灯珠,找台
图片尺寸793x1069
led灯珠型号对照表,led灯珠型号对照表5730灯珠参数电压,买灯珠,找台
图片尺寸792x1039
5730白光钢支架金线05w高品质5730白led灯珠贴片led5730白灯
图片尺寸950x1009