6201z轴承参数

6206轴承 免维护深沟球轴承6206 电机轴承 cici轴承厂家供应
图片尺寸790x906
定制人本电机轴承c&u6201 6202 6203 6204 6205 6206 6207-2rz c&u
图片尺寸790x1165
usu厂家现货6205zz深沟球轴承及附属件 冲压轴承钢
图片尺寸750x1628
无锡工厂现货批发不锈钢304深沟球轴承ss6303zz 6304 6305zz
图片尺寸1381x1919
nsk轴承 608 6200 6201 6202 6203 6204 6205 6206 6207 zz ddu
图片尺寸932x670
深沟球轴承 6200zz 6201 6202 6203 6204 6205zz厂家直供
图片尺寸781x383
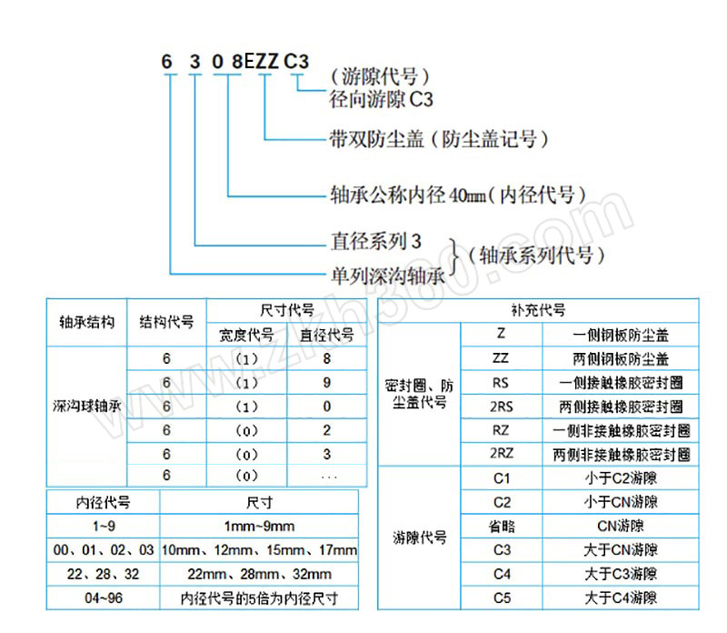
6205cm 单列深沟球轴承--参数图.jpg
图片尺寸720x974
6201轴承6201rs进口品质6201z哈尔滨6201zz高速正品6201rs轴承
图片尺寸800x800
各种规格优质深沟球微型轴承现货供应 量大优惠
图片尺寸1082x627
福建泉州深沟球轴承系列6200型-国兴轴承-guo轴承-国牌轴承 - 国兴
图片尺寸790x1245
lyc/洛轴 深沟球轴承 6201e/c3z1 1个 销售单位:个
图片尺寸800x696
带单挡边法兰轴承f6200 6201 6202 6203 6204 6205 6206 6207z rs
图片尺寸539x515
skf 斯凯孚 6206轴承 深沟球轴承 无噪音轴承
图片尺寸790x1216
哈尔滨hrb深沟球轴承61800 61801 61802 61803 61804 61805zz批发
图片尺寸790x812
供应6201-2rs 深沟球轴承 机电配套优选低噪音长寿命尺寸12*32*10
图片尺寸750x918
6207zz/va201 详细参数耐高温轴承选江苏鲁岳轴承制造有限公司,siaif
图片尺寸505x582
深沟球轴承6200 6201 6202 6203 6204 6205 6206 6207 62072rs 其他
图片尺寸700x493
军工品质厂家直销供应原装lyc洛阳轴承6204e-2rz洛轴深沟球轴承
图片尺寸750x642
6306zzcm 单列深沟球轴承
图片尺寸720x1017
日本进口nsk高速轴承6200 6201 6202 6203 6204 6205 6206 6207zz
图片尺寸800x800