62256芯片引脚图及功能

62256中文资料
图片尺寸303x499
液晶逻辑板芯片5562a
图片尺寸370x359
62256中文资料 - 风雨里 - 风雨里的博客
图片尺寸575x447
常用芯片引脚图
图片尺寸920x1301
常用的sram芯片有6116(),6264(8k×8),62128(16k×8),62256
图片尺寸453x244
sram典型的sram芯片有6116(2k×8位),6264(8k×8位),62256(32k×8位)
图片尺寸1005x699
lm8560集成电路的引脚功能
图片尺寸600x516
要想扩充容量就必须另加地址线,而sram 62256已把28条引脚全部用得
图片尺寸280x303
芯片翻译之icm20602(一)
图片尺寸650x416
nb-iot卡esim卡(5*6毫米)贴片卡引脚定义及尺寸_esim芯片引脚定义
图片尺寸891x755
微机原理ch5 存储器ppt 2,动态ram例子 2164是64k×1的dram芯片
图片尺寸1080x810
mx612e
图片尺寸800x496
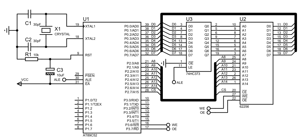
51单片机外接62256ram芯片实验程序
图片尺寸1155x745
芯片引脚及主要特性8255可编程外围并行接口电路
图片尺寸1445x2022
sram典型的sram芯片有6116(2k×8位),6264(8k×8位),62256(32k×8位)
图片尺寸1122x850
存储之62256_62256芯片读时序-csdn博客
图片尺寸1064x491
icl7107/ic7106引脚功能介绍
图片尺寸671x440
sram典型的sram芯片有6116(2k×8位),6264(8k×8位),62256(32k×8位)
图片尺寸1279x634
这里很清晰的看到整个芯片内部的组成架构,从这个图中可以清晰的看到
图片尺寸905x1233
hm62256简介及使用建议与学习帮助_第2页
图片尺寸1754x2479