6db耦合器接法

如您发现违法违规内容, 请向我们举报.
图片尺寸640x1360
这个方法可行不?跟一下!
图片尺寸700x700
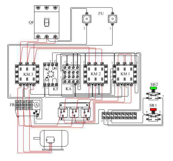
7 18 275 0 380线圈点动,停止按钮没啥用 缘5973426天前 你这接的是
图片尺寸823x960
电工必备
图片尺寸670x502
电气交易服务平台欢迎您!
图片尺寸800x610
非专业电工
图片尺寸1080x1920
【转】实物器件接线 - 冷灬然 - 冷灬然的博客
图片尺寸736x552
美篇
图片尺寸720x679
交流接触器接线图380v
图片尺寸720x540
rhobinln的美篇
图片尺寸1791x907
162 2014-02-05 两个接触器 既能点动又能连续运行
图片尺寸736x552
美篇
图片尺寸800x800
p>自耦变压器降压启动是指 a href="#" data-lemmaid="63197">电动机
图片尺寸600x559
家用电器|家电 影音电器 影音家电配件 线材 各类线材接法图示: 1.
图片尺寸795x530
手机搜狐网
图片尺寸640x1102
我的美篇
图片尺寸1080x1920
美篇
图片尺寸800x800
自主研发m60-2ma2
图片尺寸755x572
【2017年整理】光纤连接器图解1.doc
图片尺寸792x1120
卡侬头与635插头平衡接法1.doc
图片尺寸792x1120