6p14推挽功放电路图

diy 6p14推挽求助 麻烦前辈们推荐一个好的电路图
图片尺寸1126x1200
比较成功的6p14推挽.png
图片尺寸2077x1657
近期想做个6p14的小推挽,草拟了一份图纸,恳请各位帮忙斧正一下!
图片尺寸798x495
6n3屏阴倒相 6p14推挽电路.jpg
图片尺寸762x411
求一张6n2 6p14推挽图纸
图片尺寸1024x768
6n4 12ax7 6p14(6p1)推挽.jpg
图片尺寸694x735
做过j版的6p14推挽进来指导哈
图片尺寸600x343
绕牛高手给个6p14推挽牛数据谢谢
图片尺寸856x420
diy6p14推挽求助麻烦前辈们推荐一个好的电路图
图片尺寸1000x571
菜鸟对j版的6p14推挽电路n多不解请大侠指点
图片尺寸896x829
应师傅们高见重新发贴求助diy6p14推挽机失真问题
图片尺寸960x635
准备做6p14推挽,请各位高手推一6p14推挽图,谢谢!
图片尺寸800x900
6p14推挽值得做成本也不高晒晒新做的机机
图片尺寸709x600
6p14推挽胆机20w功放电路图_制作一台300b胆机的基本情况汇报(附图纸)
图片尺寸640x475
威廉逊版el84,6p14或6p1推挽两用胆机
图片尺寸764x599
菜鸟对j版的6p14推挽电路n多不解请大侠指点
图片尺寸680x466
6p14推挽小胆机
图片尺寸1095x714
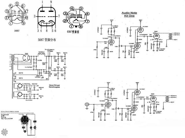
求一张12ax7推6p14推挽的电路图
图片尺寸1358x868
展开全部 看看是不是这个: 1971年由上海无线电三厂推出,6p14推挽
图片尺寸688x407
新12au7 6p14推挽胆图,帮忙分析下
图片尺寸3059x2037