715车线路图

2013吉利帝豪ec718/ec715全车电路图下载
图片尺寸1650x1354
2015款吉利帝豪ec7全车电路图维修资料
图片尺寸657x808
2013吉利帝豪ec718/ec715全车电路图下载
图片尺寸1632x1352
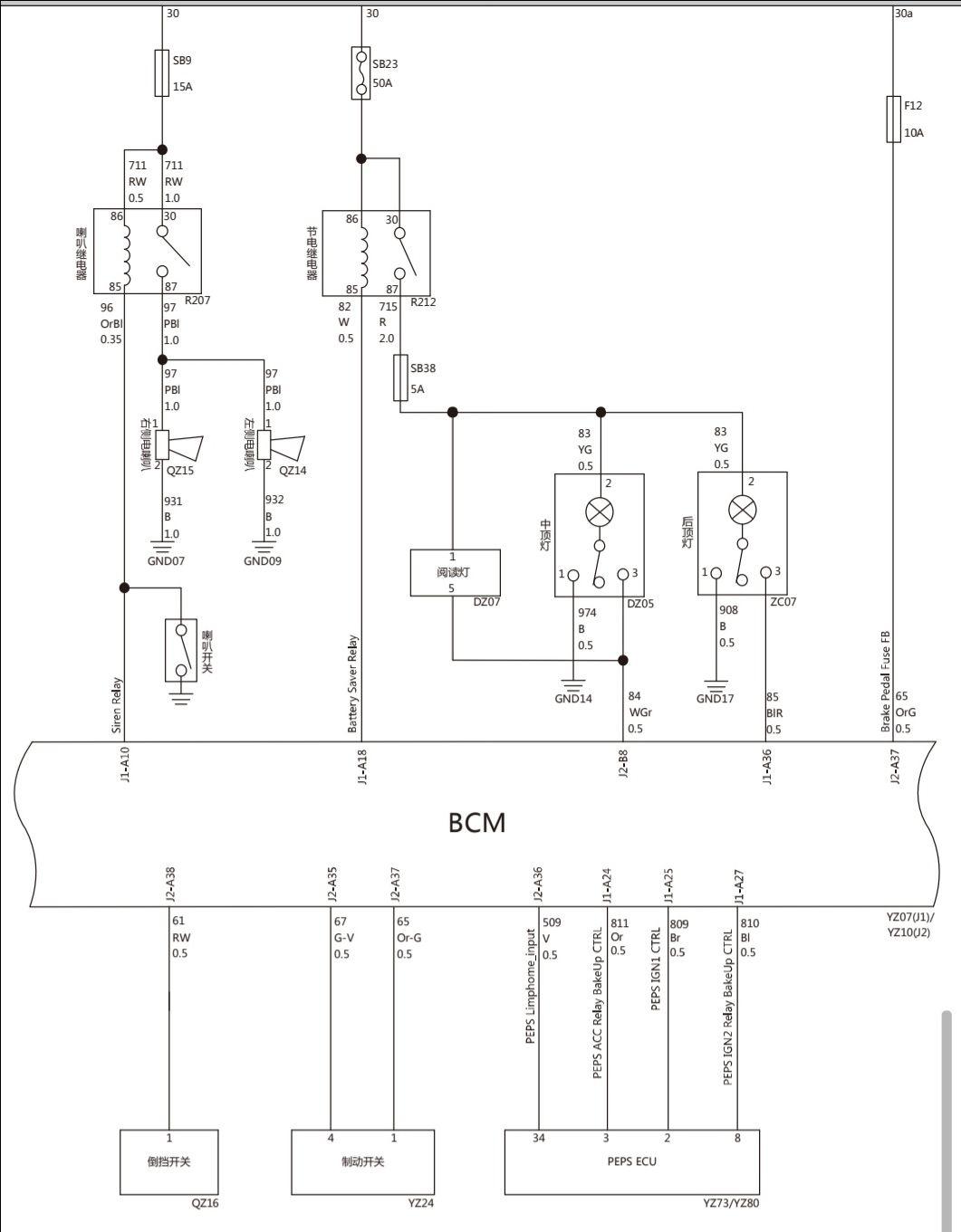
2009吉利帝豪ec7车身防盗系统及电动门窗电路图.pdf
图片尺寸792x1121
20年哈弗m6刹车信号没反应启动不了
图片尺寸1061x1361
715_550
图片尺寸715x550
2013吉利帝豪ec718/ec715全车电路图下载
图片尺寸1614x1290
715_496
图片尺寸715x496
2013吉利帝豪ec718/ec715-rv全车电路图下载
图片尺寸1676x1362
空调线路图
图片尺寸604x601
大连火车站到大黑石公交车经过哪些站?
图片尺寸666x502
1306_715
图片尺寸1306x715
【新帝豪保险盒详细图解,请留存】_帝豪论坛_手机汽车之家
图片尺寸400x287
715_585
图片尺寸715x585
别克gl8汽车安全气囊系统电路图
图片尺寸800x1160
1130_715
图片尺寸1130x715
1080_715
图片尺寸1080x715
帝豪ec7报警器加装_汽车江湖网 - qc188.com
图片尺寸700x562
1049_715
图片尺寸1049x715
550_715竖版 竖屏
图片尺寸550x715