7208轴承详细参数

7208ac 角接触球轴承--结构图.jpg
图片尺寸720x1018
高速精密角接触球轴承 7008ac (40*68*15mm) po
图片尺寸856x1145
原装nsk轴承 厂家直供 7208adt推力角接触球轴承 量大优惠
图片尺寸900x784
7207c 角接触球轴承--参数图.jpg
图片尺寸720x1022
哈尔滨配对机床轴承7205 7206 7207 7208 7209acta/p5p4二联三联
图片尺寸750x899
30207 30208 30209 hanging jack sc8a37lhi lager bearing
图片尺寸750x916
慈溪市锦生达轴承有限公司
图片尺寸820x913
原装进口nsk 角接触球轴承 7208 a aw bw db bdb配对高速主轴轴承
图片尺寸800x800
配对轴承 7201 7202 7203 7204 7205 7206 7207 7208ac/p5p4dba
图片尺寸750x1154![单列及双列向心推力球轴承 7316b[规格参数 价格 图片 采购] - 安昂](https://i.ecywang.com/upload/1/img1.baidu.com/it/u=2069673983,1543455328&fm=253&fmt=auto&app=138&f=JPEG?w=78&h=498)
单列及双列向心推力球轴承 7316b[规格参数 价格 图片 采购] - 安昂
图片尺寸830x5300
7208ac技术参数.jpg
图片尺寸750x309
skf 7208becby轴承
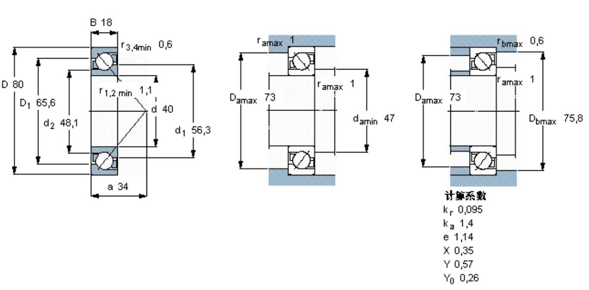
图片尺寸1194x588
nsk 7208bdf轴承
图片尺寸1094x382
新款耐磨耐腐蚀420不锈钢角接触球轴承s7000acjs7010acj单列防锈
图片尺寸790x2013
凡一商城分享部分 7206型号轴承各参数对比_免费下载
图片尺寸893x448
hrb哈尔滨轴承7208acta p5 p4 dfb dbb精密配对角接触球轴承 高速
图片尺寸800x800
进口skf角接触轴承7205 7206 7207 7208 7209 7210 ac acm p4 p5
图片尺寸800x800
厂家直销平面推力轴承 8类推力球轴承 微型轴承平面推力球轴承
图片尺寸876x1140
hrb 7208 acta/p4 c46208kj 哈尔滨角接触轴承 内径40mm外径80mm
图片尺寸800x800
角接触球轴承7214c ac b /tn/m p5 p4黄铜 尼龙保持器 主轴轴承
图片尺寸750x1300