7265功放电路图

tda7265的官方电路图,请教些问题
图片尺寸574x455
3种tda7265设计的功放电路图.doc
图片尺寸792x1120
夜深人静来求助tda7265如何调整中点电压
图片尺寸990x700
功放电路图
图片尺寸800x337
tda7265双声道音频功率放大集成电路
图片尺寸688x416
tda7265双声道音频功率放大集成电路
图片尺寸540x384
哪位有tda7265的单电源电路图.谢谢.:)
图片尺寸799x440
tda7265功放电路图纸原理图
图片尺寸531x370
求一功放电路图,要好的,电源要求为5v,复杂点没关系,自己diy的!
图片尺寸600x643
功放电路图
图片尺寸884x589
功放电路图
图片尺寸885x591
火箭头tda7265功放诞生记
图片尺寸786x597
68种功放电路原理图
图片尺寸640x480
100w 功放电路图
图片尺寸630x455
tda7265功放电路图纸原理图
图片尺寸547x316
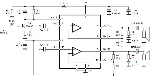
tda7265应用电路图
图片尺寸546x317![[带静音和stand -by 25w 25w立体声功放]) pdf技术资料下载 tda7265](https://i.ecywang.com/upload/1/img0.baidu.com/it/u=568234448,2420631670&fm=253&fmt=auto&app=138&f=JPG?w=500&h=707)
[带静音和stand -by 25w 25w立体声功放]) pdf技术资料下载 tda7265
图片尺寸827x1169
小弟想自己用自己已经有的元器件动手弄一个功放板;但是看不懂tda7265
图片尺寸617x313
1功放电路用到的芯片有:lm7812,tda7294,c1815,tda7265.等
图片尺寸1853x1124![[ic后级] 哪位老师傅有三诺利用tda7265的电路图](https://i.ecywang.com/upload/1/img2.baidu.com/it/u=2368552046,1637857456&fm=253&fmt=auto&app=138&f=JPEG?w=822&h=500)
[ic后级] 哪位老师傅有三诺利用tda7265的电路图
图片尺寸954x580