7265电路图单电源

单电源应用电路图如下
图片尺寸450x202
单电源转双电源电路图
图片尺寸686x344
tda7265详细接法,及电路图,我知道很麻烦,先在这里谢谢各位了
图片尺寸631x719
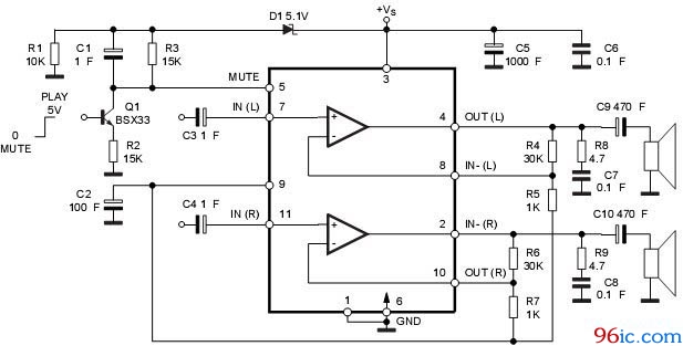
请教一个电路的里德电容电阻的作用,tda7265功放电路
图片尺寸574x455
主电源电路(电源转换电路图)
图片尺寸480x193
夜深人静来求助tda7265如何调整中点电压
图片尺寸990x700
无忧文档 所有分类 工程科技 电子/电路 成功制作tda7265功放板pcb图
图片尺寸984x567
单电源转换为双电源的电路
图片尺寸371x255
提问者采纳 tda7265功放的5脚为st-by/mute脚: 1,当5脚电压大于电源
图片尺寸450x272
手头有几块tda7265想拿来做个功放
图片尺寸690x310
准备从功放芯片tda7265引出信号线请指导下用哪个方案
图片尺寸617x312
btl输出方式应用制作电路图:据官方资料介绍,tda7265当电源为±16在vb
图片尺寸617x313
tda7265功放图
图片尺寸1277x537
电脑电源电路图大全
图片尺寸668x412
单电源转双电源电路图
图片尺寸440x620
单电源变双电源电路
图片尺寸240x172
单双电源转换电路图
图片尺寸400x351
高保真tda1520集成功放电路图
图片尺寸527x588
tda7265外围电路
图片尺寸536x394
分频点电路图
图片尺寸500x312