74153全加器

五,用一片4选1数据选择器74153实现逻辑函数 l
图片尺寸311x207
docx免费全文阅读
图片尺寸360x297
由双4选1数据选择器74153和门电路组成的组合逻辑电路如下图所示试
图片尺寸404x342
用门电路设计一位的全加器
图片尺寸920x1302
数字逻辑实验二组合逻辑电路
图片尺寸410x371
电路设计
图片尺寸789x383
简- 商品列表详情 - 景丰电子有限公司
图片尺寸1200x1000
进来补知识啦利用双四选一数据选择器74153实现十六选一数据选择器
图片尺寸498x692
简- 商品列表详情 - 景丰电子有限公司
图片尺寸1200x1000
简- 商品列表详情 - 景丰电子有限公司
图片尺寸1200x1000
简- 商品列表详情 - 景丰电子有限公司
图片尺寸1200x1000
一位全加器的多种实现方法1ppt
图片尺寸1080x810
rtl基本知识:全加器设计(vhdl)
图片尺寸650x381
用74153扩展成一个八选一数据选择器电路与真值表
图片尺寸1081x651
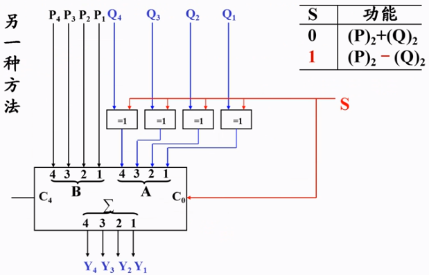
试用双4选1数据选择器74153设计一个全减器它能完成二进制减法运算s
图片尺寸356x199
三明学院数电期末复习题答案
图片尺寸625x389
74138,74139,7447,74147,74151,74153_74139功能表和引脚图-csdn博客
图片尺寸2359x1536
dig第5讲.ppt
图片尺寸960x720
加法器半加器全加器超前进位加法器74283重点数电
图片尺寸619x398
数字电路加法器基本原理一
图片尺寸617x383