74153全加器图

用门电路设计一位的全加器
图片尺寸920x1302
docx免费全文阅读
图片尺寸360x297
数字逻辑实验 中规模集成组合逻辑电路的应用 求逻辑
图片尺寸410x371
数字电路与逻辑设计:用74138实现一位全加器!
图片尺寸789x383
全加器电路图
图片尺寸600x380
由双4选1数据选择器74153和门电路组成的组合逻辑电路如下图所示,试
图片尺寸404x342
试用双4选1数据选择器74153设计一个全减器它能完成二进制减法运算s
图片尺寸307x253
全加器电路
图片尺寸753x477
利用全加器构成3位加法计数器( 要有电路图的)
图片尺寸1488x525
数字电路加法器 基本原理(一)
图片尺寸617x383
全加器原理_全加器原理图 - csdn
图片尺寸281x387
数字电路加法器 基本原理(一)
图片尺寸619x398
实验12: 组合逻辑电路-一位全加器
图片尺寸501x415
典型中规模多路选择器有双4路数据选择器74153,其引脚排列图和逻辑
图片尺寸437x180
在verilog语言中,使用门级建模设计一个由1位全加器组成的4位全加器
图片尺寸1435x808
课题名称组合逻辑全加器.
图片尺寸1820x1412
全加器,加法器
图片尺寸802x342
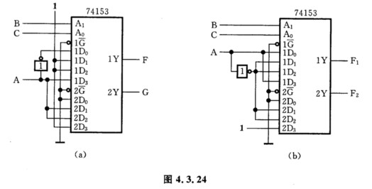
用双4选1数据选择器74153实现的组合电路如图4324所示试分析其功能
图片尺寸524x266
74系列数字电路7415374l153等双4选1数据选择器
图片尺寸1464x876
quartus仿真24:数据选择器mux四选一74153八选一74151
图片尺寸773x537