747包缝机零件图

747.757超高速包缝机零件图 - jingtaoabcyao - 石家庄缝纫机的博客
图片尺寸1451x1940
747.757超高速包缝机零件图 - jingtaoabcyao - 石家庄缝纫机的博客
图片尺寸1326x1919
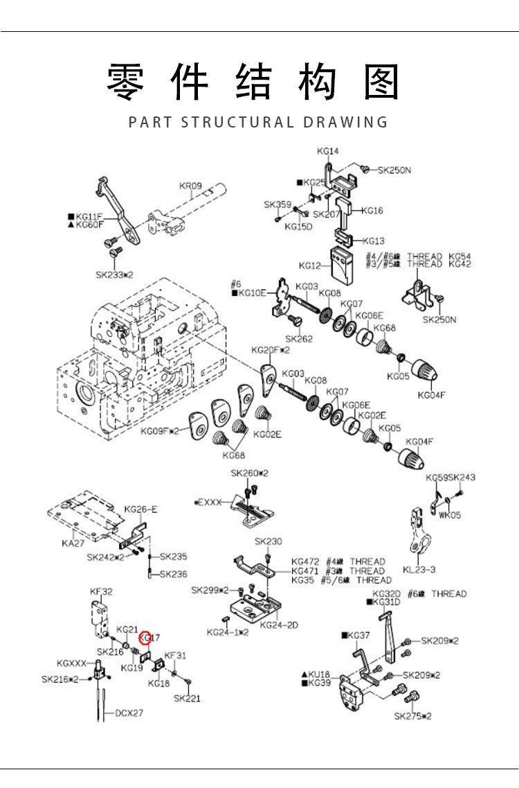
银箭747拷边机小夹线器组件kg17针杆夹线器零件包缝机锁边机配件
图片尺寸750x1137
一种包缝机的制作方法
图片尺寸888x1000
747.757超高速包缝机零件图 - jingtaoabcyao - 石家庄缝纫机的博客
图片尺寸1549x2298
747.757超高速包缝机零件图 - jingtaoabcyao - 石家庄缝纫机的博客
图片尺寸1667x2275
一种自动封带缝包机的制作方法
图片尺寸987x1000
cn101413184a_一种数控自动剪线包缝机失效
图片尺寸1952x1921
m700超高速包缝机零件图
图片尺寸885x1520
一种自动化多功能缝包机用勾线部件及缝包机的制作方法
图片尺寸1000x865
m700超高速包缝机零件图
图片尺寸871x1459
包缝缝纫机制造技术
图片尺寸917x1000
cn206721466u_一种自动化多功能缝包机用缝纫机头及缝包机有效
图片尺寸935x1000
缝纫机装配图cad图纸
图片尺寸668x481
m700超高速包缝机零件图
图片尺寸823x1312
m700超高速包缝机零件图
图片尺寸849x1467
现有摆动座是缝纫机针距调节机构中不可缺少的零件,现有的缝纫装置
图片尺寸443x302
缝纫机装配体cad图纸
图片尺寸687x486
m700超高速包缝机零件图
图片尺寸879x1503
江苏苏州凯旋747f工业高速四线松紧带包缝机 电动缝纫机锁边价格
图片尺寸750x2026