7474芯片原理图

74系列数字电路7474双d型正沿触发器(带预置和清除端)
图片尺寸1434x1968
7474触发器 异步三进制加法计数器
图片尺寸1323x533
用74ls74 芯片怎么设计四分频电路?
图片尺寸500x164
sn7474-电路图-电子产品世界
图片尺寸1003x498
sn7474n构成简单的分频电路
图片尺寸585x533
sn7474-电路图-电子产品世界
图片尺寸1662x887
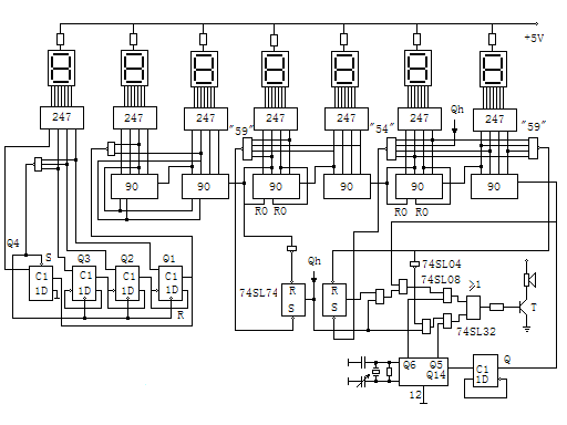
关于数字电子钟左下7474双d触发器构成的周显示电路,q1,q2,q3,q4代表
图片尺寸346x268
4004芯片
图片尺寸1978x836
关于数字电子钟左下7474双d触发器构成的周显示电路,q1,q2,q3,q4代表
图片尺寸512x384
7474引脚图和真值表 - 芯片操作时序 - diy编程器网 - 最专业的编程器
图片尺寸1028x619
如图3-4-4所示是jk触发器的逻辑符号,将芯片 和 端分别接在逻辑电平的
图片尺寸531x242
0 低功耗蓝牙立体声音频模块支持 aptx
图片尺寸708x447
三,实验原理
图片尺寸611x308
分析下串进并出电路图?
图片尺寸782x420
7474芯片引脚图功能图 - 搜狗图片搜索
图片尺寸243x269
74系列数字电路7474双d型正沿触发器带预置和清除端
图片尺寸1000x1264
芯片ic资料(pdf)查询类网站
图片尺寸792x337
这个东西不好解释意识到数电的不可速成性了吧这个可以对比着7474看
图片尺寸1080x368
锁相环74hc4046芯片电路连接问题!
图片尺寸703x424
【互换 兼容】 7474 74n74系列 74als
图片尺寸326x528