74LS194

免费文档 所有分类 彩灯控制器 1,74ls194移位寄存器的控制输入端s1和
图片尺寸580x676![对于74ls194,当处于并行输入功能时,第9引脚[图]和第10.](https://i.ecywang.com/upload/1/img2.baidu.com/it/u=1771434395,796858055&fm=253&fmt=auto&app=138&f=PNG?w=796&h=500)
对于74ls194,当处于并行输入功能时,第9引脚[图]和第10.
图片尺寸890x559
(2)74ls194功能
图片尺寸1080x810
异步计数器
图片尺寸591x441
74194:双向移位寄存器扭环形计数器环形移位寄存器74390:双十进制异步
图片尺寸1415x1037
中规模时逻辑集成移位寄存器
图片尺寸700x312
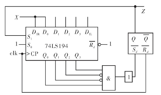
电路如图所示,试分析在1个cp作用下,计数器输出q3q
图片尺寸658x392
脉冲顺序控制电路套件74ls194电子带仿真diy实训焊接练习组装实习
图片尺寸800x800
移存器序列
图片尺寸559x329
图14-1 74ls194(或cc40194)的逻辑符号及引脚排列
图片尺寸516x276
流水灯实习报告 一,实验原理 单片机通过p0口连接锁存器74ls273,p0
图片尺寸693x524
用74ls194 扩展为8位 扩展为 位 双向移位 寄存器的 电路如右 图所示
图片尺寸1080x810
智能锁
图片尺寸972x768
两片74ls194构成的8位流水灯multisim仿真电路
图片尺寸575x319
194 4位移位寄存器 国际通用符号 54/74194,54/74s194,54/74ls194
图片尺寸509x433
实验一 流水灯实验
图片尺寸933x541
基于双向循环译码器74ls194的霓虹设计
图片尺寸585x343
2 q 3 cp m1 m0 11 10 9 q0 q1 q2 q3 16 15 14 13 12 cr cp 74ls194
图片尺寸1080x810
循环彩灯控制电路的multisim仿真设计
图片尺寸467x206
模数混合电路设计性实验实现简易流水灯电路
图片尺寸1520x663