74hc165引脚图及功能

mc74hc165a是相同的引脚到ls165.
图片尺寸983x772
mc74hc165a是相同的引脚到ls165.
图片尺寸1462x700
74hc165双级联电路图由图4可知,u2芯片的9号串行数据输出引脚so连接u3
图片尺寸565x695
74hc165功能说明
图片尺寸920x1302
图 74hc165引脚配置
图片尺寸400x449
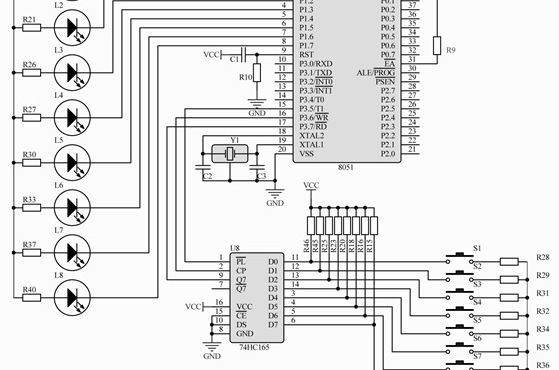
74hc165按键扫描
图片尺寸1882x916
通过控制三个引脚,可达到其中一个状态,具体操作如下图所示.
图片尺寸378x489
74hc165三片级联
图片尺寸1802x545
关于74hc165芯片进行并转串程序步骤(软硬件)详细解
图片尺寸311x224
74hc165引脚图与pdf中文资料下载
图片尺寸543x326
arduino uno模块【5】串口虚拟终端【4】74hc165芯
图片尺寸851x676
请教关于74hc165d的奇怪问题 - 1779564238的日志
图片尺寸1141x696
74hc165连级使用方法及程序实例
图片尺寸813x1118
74hc165d/sn74hc165dr/74hc165/aip74hc165最新
图片尺寸1170x500
74hc165中文资料详细(74hc165工作原理_引脚图及功能_应用电路_逻辑图
图片尺寸515x261
74hc165中文资料详细(74hc165工作原理_引脚图及功能_应用电路_逻辑图
图片尺寸632x374
【mc74hc165a】产品参数介绍,mc74hc165a数据手册
图片尺寸482x234
p>74hc165是一款高速cmos八位并入串出 a href=
图片尺寸402x401
p>74hc165是一款高速cmos八位并入串出 a href=
图片尺寸559x370
相互共用,可以做独立键盘的输入扩展,qh串行输出端口是连接了p17引脚
图片尺寸446x454