74hc573引脚图及功能表

基于单片机的光立方设计-电气工程及其自动化毕业论文.doc 33页
图片尺寸390x475
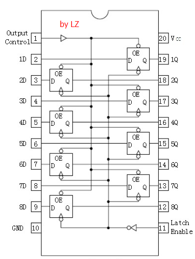
这是74hc573 锁存器的引脚分布图,oe的专业术语为三态允许控制端(低
图片尺寸273x313
是一种高性能硅栅cmos器件引脚图74hc573引脚功能特点三态总线驱动
图片尺寸456x507
74hc573驱动4位数码管电路连接图及程序代码分享
图片尺寸755x640
74hc573中文资料参数引脚功能表引脚图
图片尺寸606x277
74hc573实现不了功能
图片尺寸353x295
谁有74hc573的封装数据呀!
图片尺寸554x294
74hc573
图片尺寸397x527
74hc573驱动8位数码管
图片尺寸491x463
74系列芯片引脚图及逻辑功能表
图片尺寸920x1302
芯片资料74hc573
图片尺寸694x289
74hc573完整编辑中文资料doc8页
图片尺寸792x1120
74hc573中文资料pdf
图片尺寸351x374
atmega8l引脚图及用74hc573扩展其io的方法
图片尺寸399x390
74hc573芯片引脚图
图片尺寸271x288
74hc573使用实例分析
图片尺寸815x514
锁存器芯片74hc573芯片的用法,及其在实际电路中的应用
图片尺寸533x376
求74hc573连接led与单片机电路图 最好详细一点,多一点
图片尺寸546x378
74hc573驱动6位共阴数码管
图片尺寸1018x383
74hc573仿真上是对的,但实际电路中出错.
图片尺寸766x471