74hc595 原理图

7段数码管
图片尺寸769x350
74hc595驱动控制led 原理图和单片机代码
图片尺寸714x418
原理图
图片尺寸715x630
需求对两颗74hc595芯92进95初始化,两颗芯92
图片尺寸864x734
q端为输出端d端为输入端已经掌握资料的74hc595原理图与手头封装库
图片尺寸1334x891
image-20211006122800449
图片尺寸875x547
74hc595程序不能运行有电路和程序请高手指教一下
图片尺寸596x436
原理图.jpg
图片尺寸732x504
74hc595的使用
图片尺寸737x793
基于stm32的esp8266wifi自动校时语音报时可调时钟附源代码
图片尺寸641x681
下面这个74hc595芯片逻辑图,输出使能端13脚我们一
图片尺寸777x559
展开全部 给你一个6个595驱动6个5*7点阵的原理图吧 驱动数码管和和
图片尺寸1149x470
下面这个74hc595芯片逻辑图,输出使能端13脚我们一
图片尺寸838x882
74hc595驱动点阵如何焊接
图片尺寸808x403
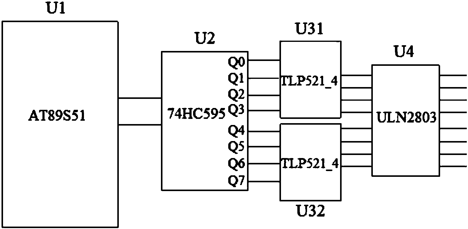
cn205318162u_一种利用74hc595芯片扩展多个io端口的控制电路失效
图片尺寸1544x755
(由于后面的74hc595电路连接方法是一样的,所以这里
图片尺寸1349x822
求单片机大神帮忙写一段小程序,小弟想研究研究74hc595的用法.
图片尺寸488x474
avrware 开发笔记7:74hc595串行控制led灯实验_snm
图片尺寸348x561
本文档的主要内容详细介绍的是74hc595寄存器的测试资
图片尺寸773x519
74hc595使用说明与驱动原理
图片尺寸1080x840